EasyManua.ls Logo

Marantz NR1506 /U1B - Page 35

Marantz NR1506 /U1B
159 pages
Print Icon
To Next Page IconTo Next Page
To Next Page IconTo Next Page
To Previous Page IconTo Previous Page
To Previous Page IconTo Previous Page
Loading...
H
L
H
L
H
H
H
H
SW1
H
L
L
H
H
L
H
H
IN 4
IN 2
H
L
L
L
L
H
H
H
L
H
H
L
L
H
L
H
L
H
H
L
L
L
H
H
IN 5
IN 3
IN 1
-
+5V
64P PIN
VINA
VIN2
VIN3
VINC SW2 SW5SW4
Blu-lay/DVD
MUTE
NR1506
OUT1
SW2
VINC
TMDS IN
64P PIN
VIN1
VIN5
VIN4
in3
in0
in1
in2
Media Player
CBL/SAT
SW1
SW5
SW4
SW3
V01
V02
VINA
VINB
TMDS IN
OSD
inD
V03
USBD+/-
VINB
SW3
OUT PUT
NJM2595MTE1
TMDS IN(4K24/Hz/3GBps)
TMDS IN(4K/60,50HZ/6Gbps)
in2
OUT0
TMDS OUTPUT
HDMI IN
ADV8195
BUFFER
HDMI3
HDMI2
HDMI1
HDMI5
u-COM CON IC CON
CVBS INPUT SW
PCK, 8bit Data(VD0~VD7)
CLK freg 27MHz
480i
TMDS IN(4K/60,50HZ/6Gbps)
TMDS IN(4K/60,50HZ/6Gbps)
U/K : 32M SPI FLASH
N : 64M SPI FLASH
OUT0
ADV7623
HDMI TRANSCEIVER
in3
in0
TMDS OUTPUT
OUT1
CVBS IN
RJ-45
CY920 MODULE
HDMI4
MN864788A
Rx
(HDMI2.0 & HDCP2.2)
in1
IN1 : CBL/SAT
WiFi/BT ANT
IN3 : M_PLAY
FRONT HDMI
TMDS IN(4K/60,50HZ/6Gbps)
TMDS IN(4K/60,50HZ/6Gbps)
HDMI OUT
uCOM
IN2 : BLU-RAY
/DVD
USB FRONT
MN864788
Rx/Tx
(HDMI2.0 & HDCP2.2)
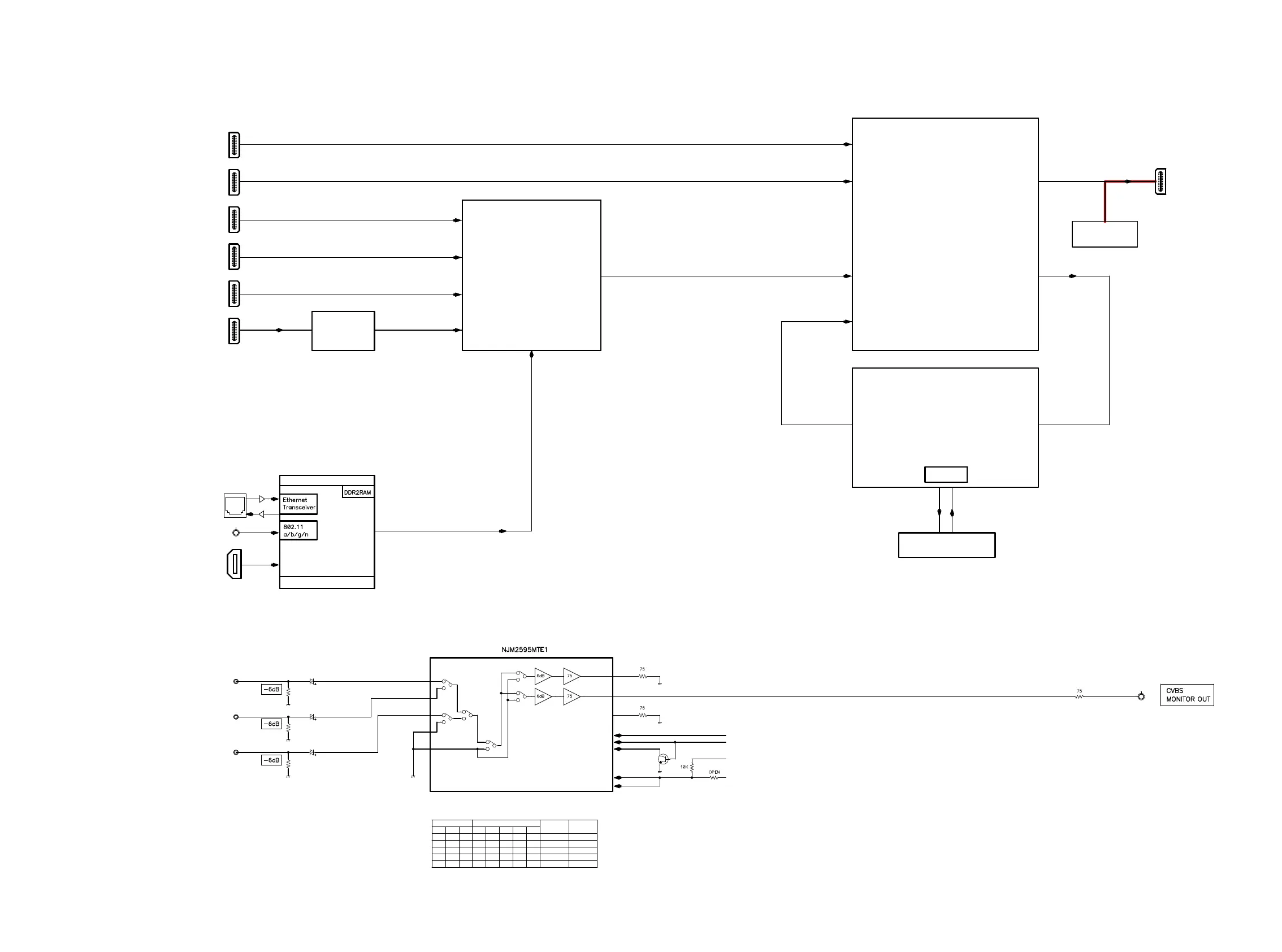
VIDEO DIAGRAMfig.07
35

Related product manuals