EasyManua.ls Logo

Marantz SR6003 - Page 93

Marantz SR6003
176 pages
Print Icon
To Next Page IconTo Next Page
To Next Page IconTo Next Page
To Previous Page IconTo Previous Page
To Previous Page IconTo Previous Page
Loading...
121
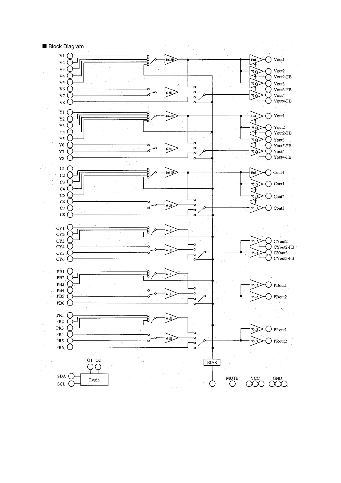
IC17 : AN15881AVT

Other manuals for Marantz SR6003

Related product manuals