EasyManua.ls Logo

Marantz SR7009/U1B - Audio Check PASS

Marantz SR7009/U1B
247 pages
Print Icon
To Next Page IconTo Next Page
To Next Page IconTo Next Page
To Previous Page IconTo Previous Page
To Previous Page IconTo Previous Page
Loading...
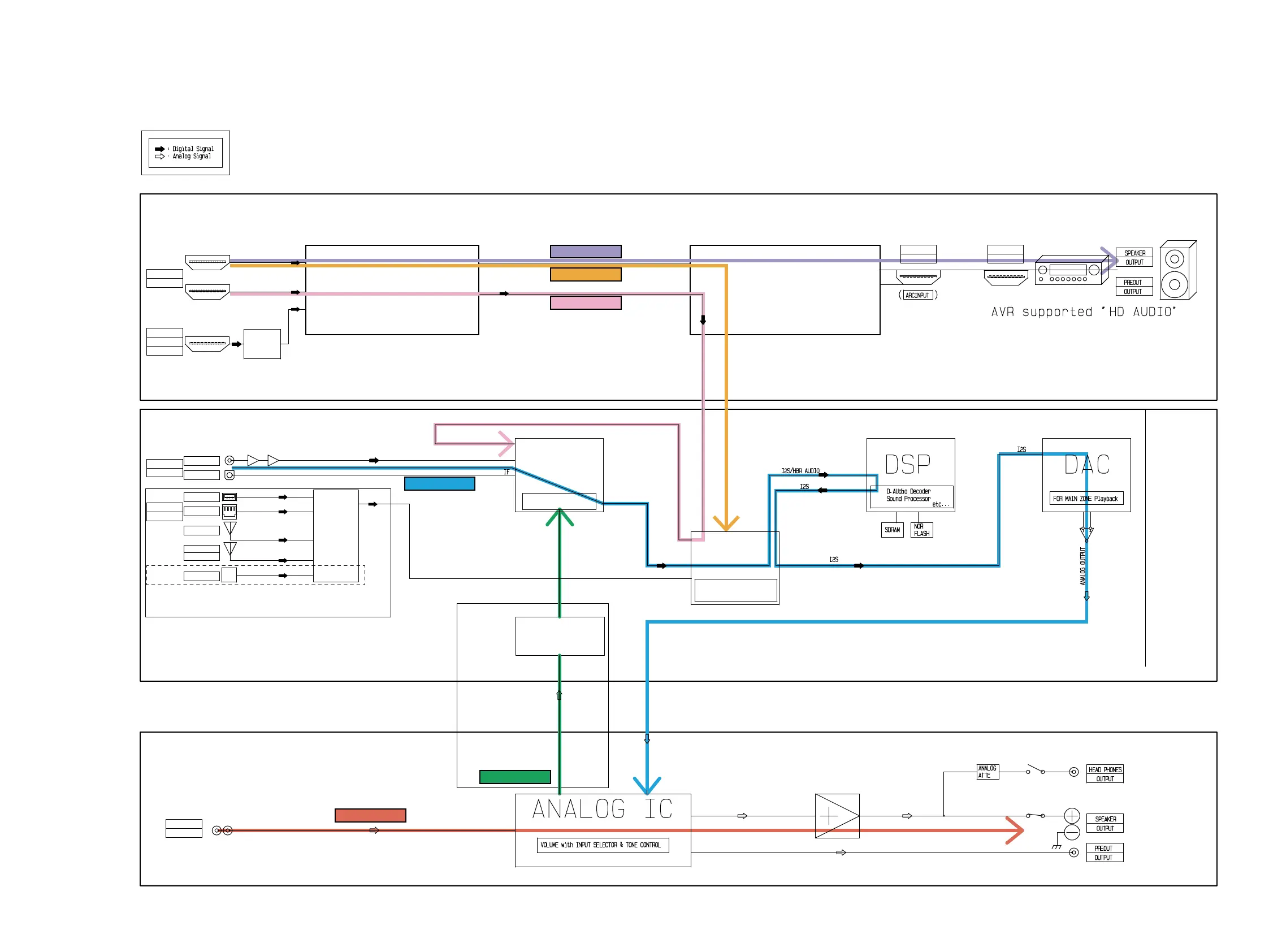
See TROUBLE SHOOTING"4.1. AUDIO CHECK"(110 page)
AUDIO CHECK PASS
d
HDMI Tranceiver
MN8647771
HDMI Tranceiver
MN8647771
Analog audio BLOCK
Digital audio BLOCK
HDMI BLOCK
CHECK6
CHECK5
CHECK4
CHECK3
CHECK2
CHECK1
TMDS
BUFFER
AD8195
 DIGITAL AUDIO
INTERFACE RECEIVER
R2A15220FP & R2A15218FP
5M570ZF256C5N
I2S
SELECTOR
I2S
PCM1690DCAR
PLD
PCM9211PTR
DIR
AK5358BET
ADC
INPUT
ANALOG 2CH
INPUT
NETWORK
INPUT
DIGITAL
INPUT
HDMI
INPUT
HDMI
FRONT
ETHERNET
USB
OPTICAL
COAXIAL
A/D_INPUT
D/A_OUTPUT
ADC
BLOCK
SPDIF
I2S/DSD
SPDIF(Legacy Audio)
I2S/HBR Audio(LPCM MULTI)
/Dolby TrueHD/DTS-HD MA/DSD
OUTPUT
HDMI
INPUT
HDMI
ADSP21487KSWZ4B x4
NETWORK BLOCK
Wifi
WifiCase : CX870
Bluetooth
NETWORK
MODULE
CX870/CY920
CX870 ONLY
Wifi/BluetoothCase : CY920
121

Table of Contents

Related product manuals