EasyManua.ls Logo

Marantz SR7009/U1B - Page 206

Marantz SR7009/U1B
247 pages
Print Icon
To Next Page IconTo Next Page
To Next Page IconTo Next Page
To Previous Page IconTo Previous Page
To Previous Page IconTo Previous Page
Loading...
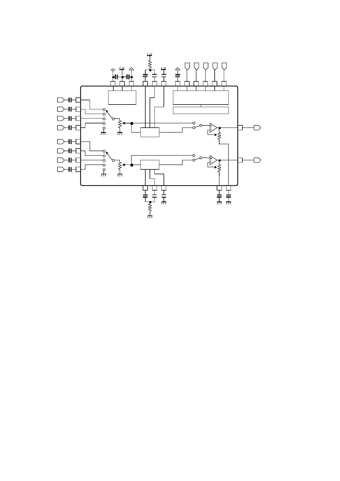
NJW1194A (INPUT : IC484/IC489)
NJW1194
 
2-CHANNEL ELECTRONIC VOLUME
WITH INPUT SELECTOR AND TONE CONTROL
GENERAL DESCRIPTION
PACKAGE OUTLINE
       
      
       

      
        

      

FEATURES

      
   

 
   

 
 

  
BLOCK DIAGRAM
NJW1194V

 
 





 
 
 
 
 







  
 
 

206

Table of Contents

Related product manuals