EasyManua.ls Logo

Marantz SR7009/U1B - Page 50

Marantz SR7009/U1B
247 pages
Print Icon
To Next Page IconTo Next Page
To Next Page IconTo Next Page
To Previous Page IconTo Previous Page
To Previous Page IconTo Previous Page
Loading...
TUNER
29dB
29dB
29dB
29dB
29dB
29dB
29dB
29dB
29dB
FL
FR
C
SL
SR
SBL
SBR
H1_L
H1_R
FW_L/H2_L
FW_R/H2_R
PHONO
V.AUX
CBL/SAT
DVD
BLU-RAY
MEDIA
MIC
(FRONT)
CD
EXT_FL
TONE
EXT_FR
MAIN_FL
MAIN_FR
TONE
DAFL
DAFR
DAFL
DAFR
DAC
DASW1
DASL
DASR
DAZ3R
ADINL
ADINR
DASW2
DAZ3L
SW1
ZONE2 L
SW2
FL
FR
C
SL
SR
SBL
SBR
H1_L
H1_R
FW_L
FW_R
CBL/SAT
DVD
BD
MP
CD
PHONO
V.AUX
TUNER
MIC
DASW1
EXT_SW
FL_VOL
FR_VOL
SW1_VOL
SW2_VOL
C_VOL
SL_VOL
SR_VOL
PREOUT_FL
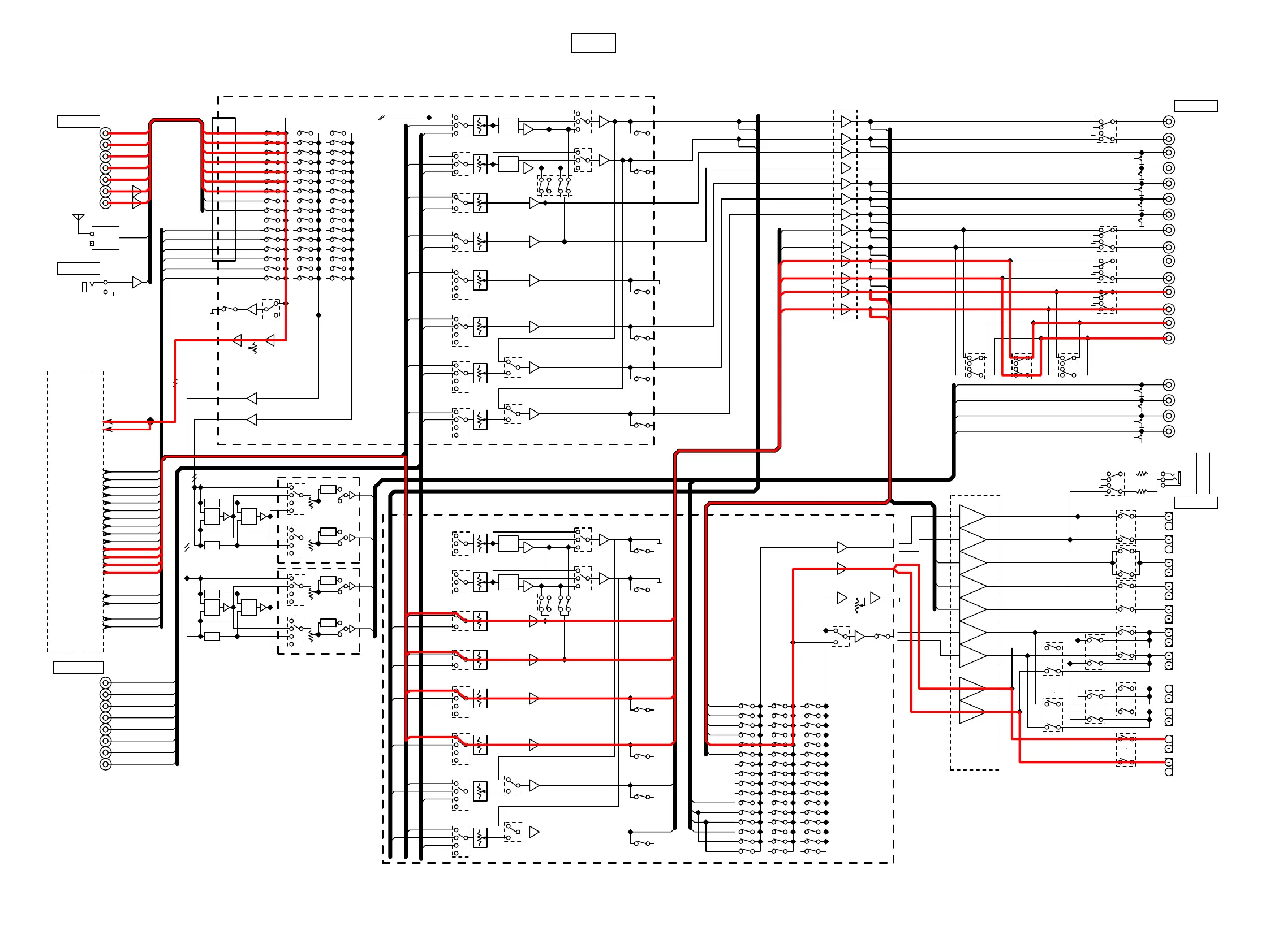
R2A15220
HDAM
SR7009 ANALOG AUDIO BLOCK
FL
FR
C
SW
SL
SR
SBL
SBR
MIC
8ch EXT. IN
78,79
74,75
70,71
72,73
82.83
66,67
64,65
62
,63
MAIN ZONE2 ZONE3
AUDIO IN
76,77
OPEN
Z2
Z3
ADC
DAFR56
DAFL57
EXT_BUS
DA_BUS
DASW2
EXT_SW
DARSV
DAC
DASL
DASR
EXT_C
EXT_SL
EXT_SR
ZONE3
20
19
22
23
16
14
10
11
8
7
100
99
2
3
TONE
TONE
DAASSIGN2L
EXT_SBL
FWL_VOL
FWR_VOL
FHL_VOL
FHR_VOL
SBL_VOL
SBR_VOL
R2A15220
DAASSIGN2R
EXT_SBR
DAASSIGN3L
DAASSIGN3R
DAASSIGN1L
DAASSIGN1R
20
19
22
23
16
14
10
11
8
7
100
99
2
3
97
37
96
36
94
40
41
93
39
92
38
91
90
42
43
38
39
92
93
40
41
36
37
PREOUT_FR
PREOUT_SW1
PREOUT_SW2
PREOUT_C
PREOUT_SL
PREOUT_SR
PREOUT_SBL
PREOUT_SBR
PREOUT
_FHL
PREOUT_FHR
PREOUT_SBL
PREOUT_SBR
PREOUT_FWL
PREOUT_FWR
PREOUT_FWL
PREOUT_FWR
PREOUT_FHL
PREOUT_FHR
PREOUT_SW1
PREOUT_SW2
PREOUT_C
PREOUT_SL
PREOUT_SR
PREOUT_FL
PREOUT_FR
H2_L
H2_R
53,54
46,47
32,33
88,89
AMPIN_SBL/SBR
OPEN
AMPIN_FWL/FWR
AMPIN_FL/FR
53,54
46,47
32,33
88,89
PRE FL/FR56,57
58,59
60,61
66,67
70,71
68,69
ZONE3 ZONE2 MAIN
PRE SL/SR
PRE C
PRE SBL/SBR
PRE FHL/FHR
PRE FWL/FWR
75
72
74
PREOUT Z3R
PREOUT Z2L
PREOUT Z2R
73 PREOUT Z3L
77
76
PREOUT
SPEAKER
ZONE2 R
ZONE3 L
ZONE3 R
DARSV
DAZ2R
DAZ2L
DAASSIGN1L
DAASSIGN1R
DAASSIGN2L
DAASSIGN2R
DAASSIGN3L
DAASSIGN3R
DAZ3L59
DAZ3R58
DAZ2L61
DAZ2R60
C
SL
SR
DIGITAL AUDIO BLOCK_C1
U Ver.: HD RADIO
OTHER : A. TUNER
HPR
GND
HPL
H/P OUT
ATT.
POWER AMP PART
RY871
RY881
RY88
2
RY883
RY884 RY885 RY886
RY921
RY922
RY923
RY924
RY929
RY927
RY926
RY928
RY932
RY925
PREOUT_FL
PREOUT_FR
PREOUT_FR
94 PREOUT_FL
95
PREOUT_FR
PREOUT_FL96
97
45
44
PREOUT_FL
PREOUT_FL
MONO
HPF
HPF
29
31
33
1
4
2
3
MIX
MONO
MIX
TONE
TONE
NJW1194V
VOL IC
ZONE2
MONO
HPF
HPF
29
31
33
1
4
2
3
MIX
MONO
MIX
TONE
TONE
NJW1194V
VOL IC
32
32
g.11a
50

Table of Contents

Related product manuals