EasyManua.ls Logo

Marksman X4 - Parking Light Flash Indicators; Siren;Horn Chirp Indicators; System Characteristics

Marksman X4
20 pages
Print Icon
To Next Page IconTo Next Page
To Next Page IconTo Next Page
To Previous Page IconTo Previous Page
To Previous Page IconTo Previous Page
Loading...
7
Wiring (continued)
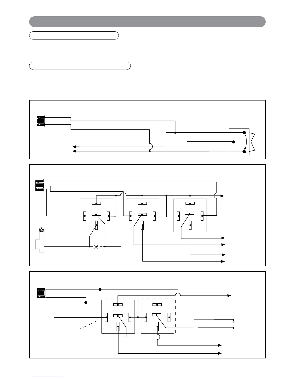
3 Wire Ground Trigger Door Lock System
(
-
) Lock Out
Ground Input
(
-
) Unlock Out
To Door Lock
Control Relays
Lock Control
Switch
Blue Wire: Connect to Unlock
Green Wire: Connect to Lock
Black 3-Pin
Mini Connector
Unlock Driver's Door First Wiring for 5-Wire Ground at Rest Door Locking Systems
87
87A
85
86
30
87
87A
85
86
30
To +12 Volts
(Battery +)
To Power
Lock Switch
To Power
Lock Motors
Lock
Lock
Unlock
Unlock
87
87A
85
86
30
+ Unlock
Cut
Driver's
Door Motor
Green Wire
Blue Wire
Light Blue Wire
Newly Installed Power Door Lock Motors
87
87A
85
86
30
87
87A
85
86
30
To +12 Volts
(Battery +)
To Ground
To Newly
Installed Power
Door Lock Motors
White Wire
Brown Wire
Green Wire: Lock
Blue Wire: Unlock
Violet Wire
ALA-DL1
Relay Pack
Red Wire: Lock
Black Wire: Unlock
Black 3-Pin Connector
Green Wire
Blue Wire
Note: Orange wire from ALA-DL1
must be connected to +12V
Green Wire: (-) Door Lock Control
Light Blue Wire: (-) 2nd Unlock Output
If the door lock control system on the vehicle is (-) type, connect the Green wire to the lock wire from the door
lock switch .
Driver’s Door Priority 2nd Unlock Output:
The Light Blue wire provides a second (-) unlock output to unlock the passenger’s doors. Follow the diagrams
on pages 6-9 for proper connection.
X4-IM.qxp 3/6/08 10:53 AM Page 7

Other manuals for Marksman X4

Related product manuals