EasyManua.ls Logo

Marksman X4 - Manual Disarm;Unlock; Emergency Override Operation

Marksman X4
20 pages
Print Icon
To Next Page IconTo Next Page
To Next Page IconTo Next Page
To Previous Page IconTo Previous Page
To Previous Page IconTo Previous Page
Loading...
9
Wiring (continued)
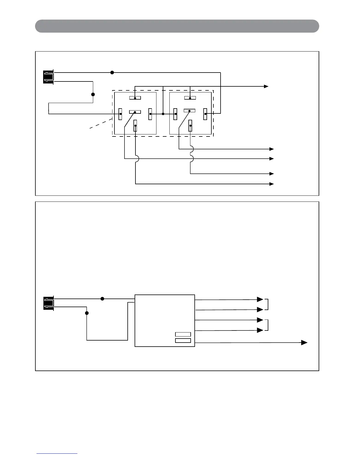
HC3: Black 3-Pin Door Lock Harness
(continued)
87
87A
85
86
30
87
87A
85
86
30
To +12 Volts
(Battery +)
To Power
Lock Switch
To Power
Lock Motors
White Wire: Lock
Brown Wire: Unlock
Green Wire: Lock
Blue Wire: Unlock
Violet Wire
ALA-DL1
Relay Pack
Red Wire: Lock
Black Wire: Unlock
Black 3-Pin
Mini Connector
Green Wire
Blue Wire
Orange wire from ALA-DL1
One Wire Multiplexing Door Locking Systems
Some vehicle’s (Chrysler, Mazda and Ford Probe and others) use one wire to lock and unlock the doors.
Example: When the door lock controller sees a signal thru a resistor it will unlock. If a signal is received
without a resistor the doors will lock. Some use 2 resistors. One for lock and one for unlock. We have
developed patented plug-in fuse resistors for this application. Simply remove the fuse from our door lock
module and replace with correct resistor value fuses that matches the vehicles door lock switch.
Wiring:
1. Connect both the green (lock) and the blue (unlock) wires to the vehicles one wire lock/unlock wire.
2. Connect our violet polarity input wire to +12v or to ground. To match vehicles door lock polarity.
3. The white and the brown wires will not be used.
White Wire Lock
To Power
Lock Switch
To Power
Lock Motors
Brown Wire Unlock
Green Wire Lock
Blue Wire Unlock
Violet Wire To +12 Volts Constant
Lock Fuse 1
Unlock Fuse 2
ALA-DL1
Red Wire
Black Wire
Black 3-Pin
Mini Connector
Green Wire
Blue Wire
Note: Orange wire from ALA-DL1 must be connected to +12V.
X4-IM.qxp 3/6/08 10:53 AM Page 9

Other manuals for Marksman X4

Related product manuals