EasyManua.ls Logo

Marksman X4 - Security Operation; Manual Arm;Lock; Silent Arming;Disarming; Shock Sensor Bypass

Marksman X4
20 pages
Print Icon
To Next Page IconTo Next Page
To Next Page IconTo Next Page
To Previous Page IconTo Previous Page
To Previous Page IconTo Previous Page
Loading...
8
Wiring (continued)
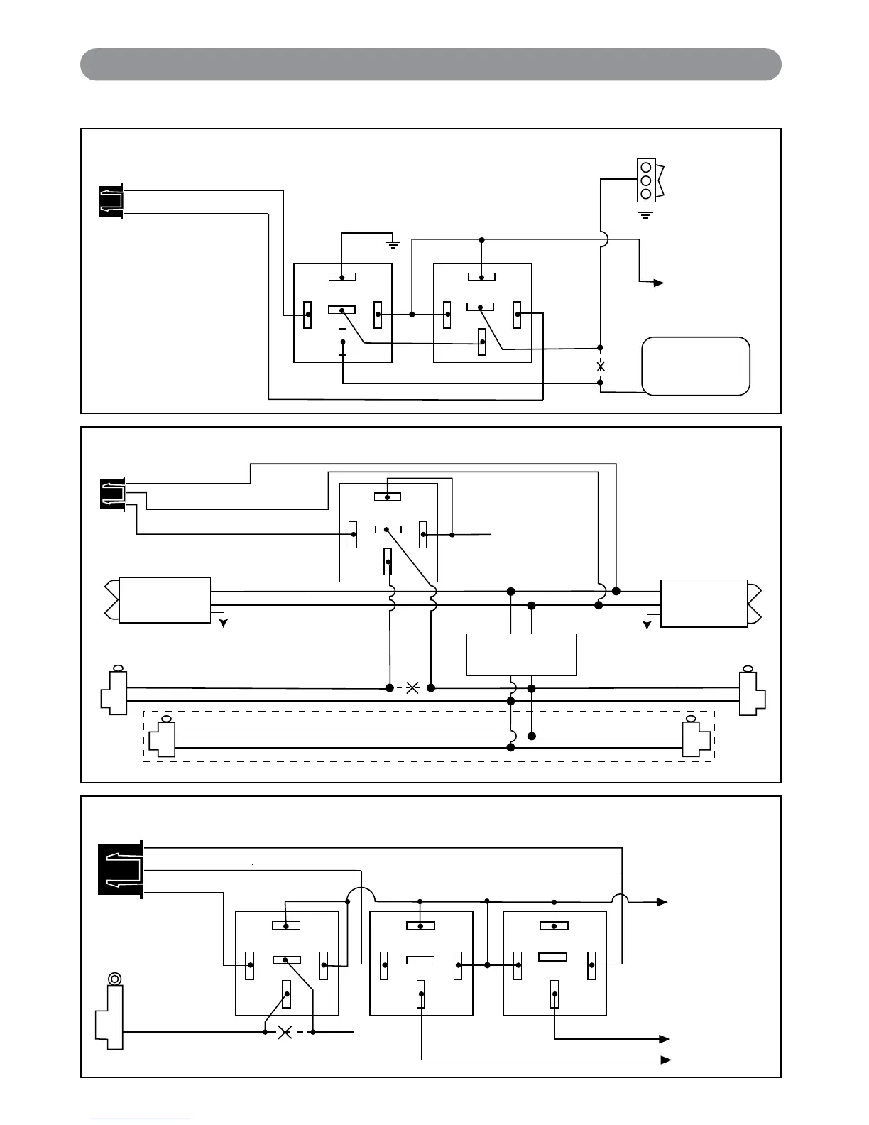
Mercedes Door Lock Activation
Door Lock
Switch
Unlock
Lock
B+
87
87A
85
86
30
87
87A
85
86
+
++
To +12 Volts
(Battery +)
Door Lock
Compressor
Cut
Green Wire
Unlock
Lock
Black 3-Pin
Mini Connector
Green Wire: Lock
Blue Wire: Unlock
Unlock Driver's Door First for 3-Wire Negative Door Lock Systems
87
87A
85
86
30
Unlock Wire
Passenger's Door
Lock
Unlock
To +12V or Ground
To +12V or Ground
Driver's Door
Rear Doors
Passenger's
Door Switch
Door Lock Relay
Control Module
Lock
Unlock
+12V
ALA984H
Relay
Driver's Door
Switch
Cut
Blue Wire
Green Wire
Light Blue Wire
HC3: Black 3-Pin Door Lock Harness
(continued)
Unlock Driver's Door First Wiring for 3-Wire Positive Door Locking Systems
87
87A
85
86
30
87
87A
85
86
30
To +12 Volts
(Battery +)
To Power
Door Lock
Switch
Lock/Unlock
Wires
Lock
Unlock
87
87A
85
86
30
+ Unlock
Cut
Driver's
Door
Motor
Blue Wire
Green Wire
Light Blue Wire
X4-IM.qxp 3/6/08 10:53 AM Page 8

Other manuals for Marksman X4

Related product manuals