EasyManua.ls Logo

Maxon IDX 70 - Page 35

Maxon IDX 70
56 pages
Print Icon
To Next Page IconTo Next Page
To Next Page IconTo Next Page
To Previous Page IconTo Previous Page
To Previous Page IconTo Previous Page
Loading...
Electrical Installation
Connections
IDX 70 User Manual
mmag | 2022-04 | rel10520
4-35
WIRING EXAMPLES
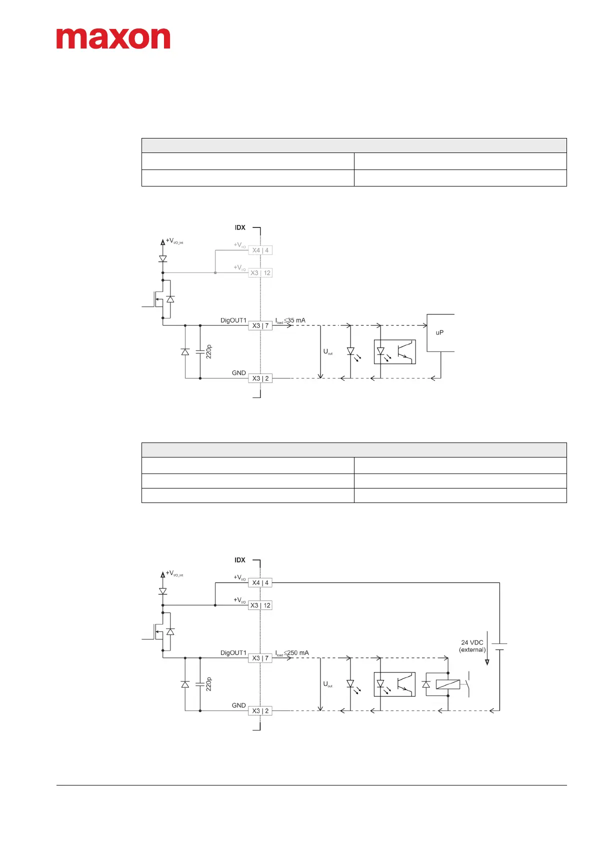
Table 4-22 Digital output, internally supplied
Figure 4-19 DigOUT1, internally supplied (analogously valid for DigOUT2)
Table 4-23 Digital output, externally supplied
Continued on next page.
Figure 4-20 DigOUT1, externally supplied (analogously valid for DigOUT2)
Continued on next page.
DigOUT (internally supplied)
Output voltage
U
Out
= approx. 19 V (@ V
CC
24 V)
Max. load current
I
Load
35 mA
DigOUT (externally supplied)
Input voltage
+V
I/O
Max. load current 250 mA
Max. voltage drop 0.5 V @ 250 mA