EasyManua.ls Logo

Mazda 6 - Lubrication Flow Diagram

Mazda 6
358 pages
Print Icon
To Next Page IconTo Next Page
To Next Page IconTo Next Page
To Previous Page IconTo Previous Page
To Previous Page IconTo Previous Page
Loading...
D4
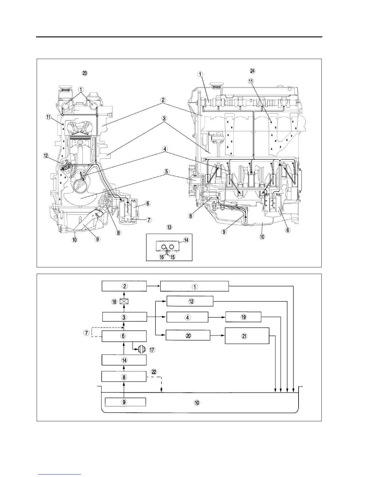
LUBRICATION SYSTEM
End Of Sie
LUBRICATION FLOW DIAGRAM
A6E333001003T02
L8, LF
AME3300N002
AME3300N003

Table of Contents