EasyManua.ls Logo

Medrad ProVis Mark V - Page 30

Medrad ProVis Mark V
143 pages
Print Icon
To Next Page IconTo Next Page
To Next Page IconTo Next Page
To Previous Page IconTo Previous Page
To Previous Page IconTo Previous Page
Loading...
Mark V ProVis Injection System
7 - 4
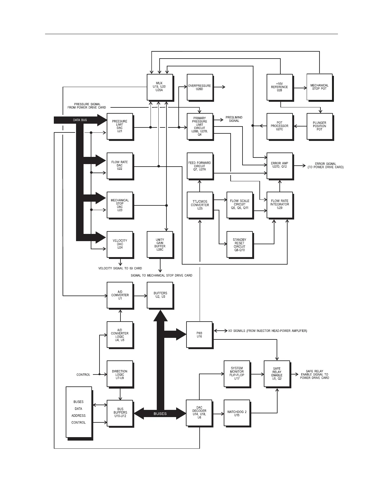
Figure 7.1: Block Diagram: Servo Control Card

Related product manuals