EasyManua.ls Logo

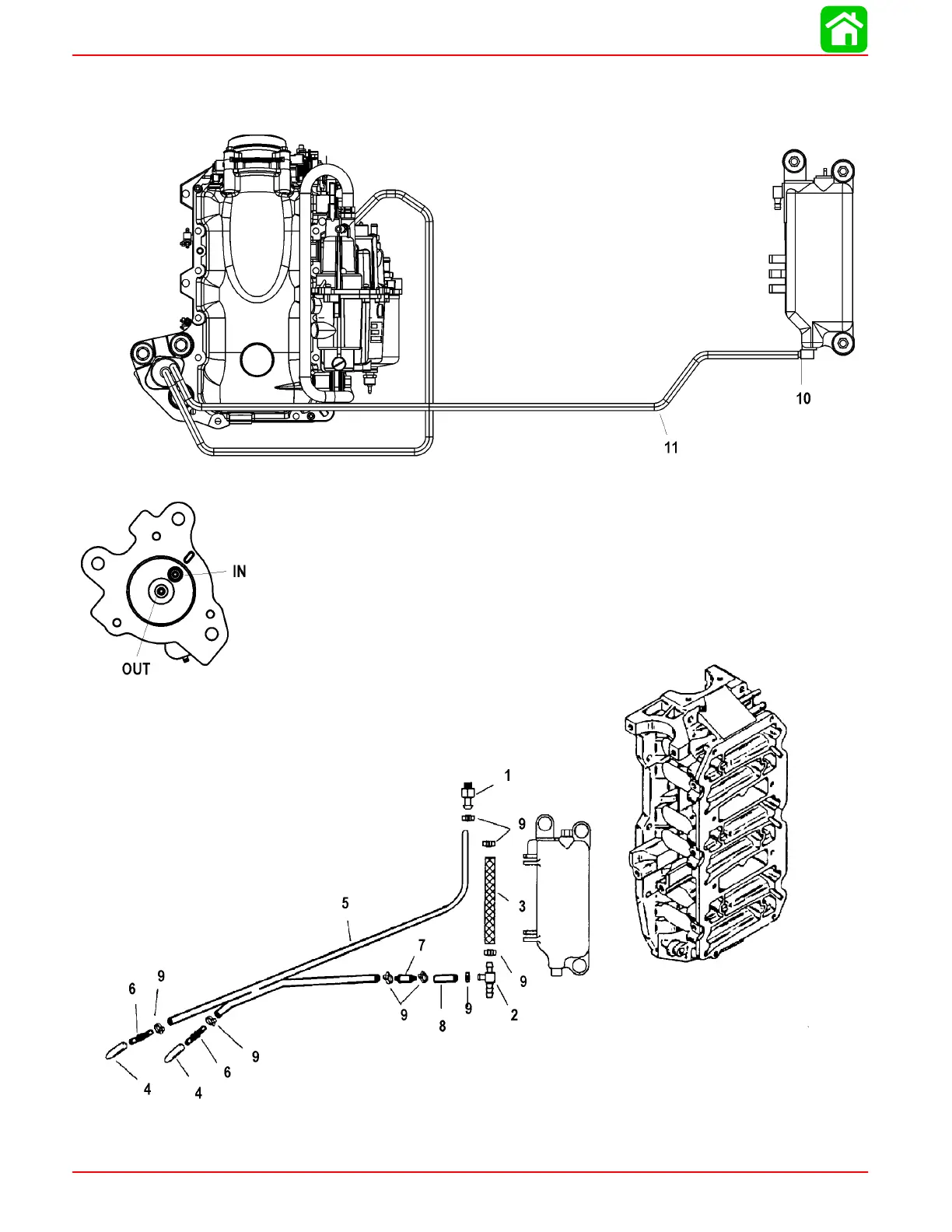
Mercury 175 EFI - Oil Lines

Mercury 175 EFI
631 pages
Print Icon
To Next Page IconTo Next Page
To Next Page IconTo Next Page
To Previous Page IconTo Previous Page
To Previous Page IconTo Previous Page
Loading...
OIL INJECTION
Page 3C-6 90-883728 JULY 2001
Oil Lines

Table of Contents

Related product manuals