EasyManua.ls Logo

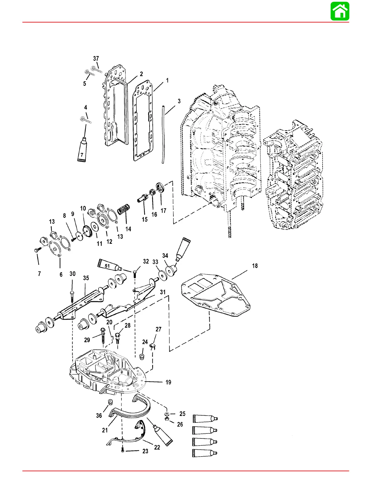
Mercury 175 EFI - Exhaust Manifold and Exhaust Plate

Mercury 175 EFI
631 pages
Print Icon
To Next Page IconTo Next Page
To Next Page IconTo Next Page
To Previous Page IconTo Previous Page
To Previous Page IconTo Previous Page
Loading...
POWERHEAD
Page 4A-8 90-883728 JULY 2001
Exhaust Manifold and Exhaust Plate
95
3M Permabond #3MO8155 (Obtain Locally)
62
62
95
2-4-C with Teflon
51
Loctite 222
7
Loctite 271

Table of Contents

Related product manuals