EasyManua.ls Logo

Mercury 175 EFI - Gear Housing (Prop Shaft)(Standard Rotation)

Mercury 175 EFI
631 pages
Print Icon
To Next Page IconTo Next Page
To Next Page IconTo Next Page
To Previous Page IconTo Previous Page
To Previous Page IconTo Previous Page
Loading...
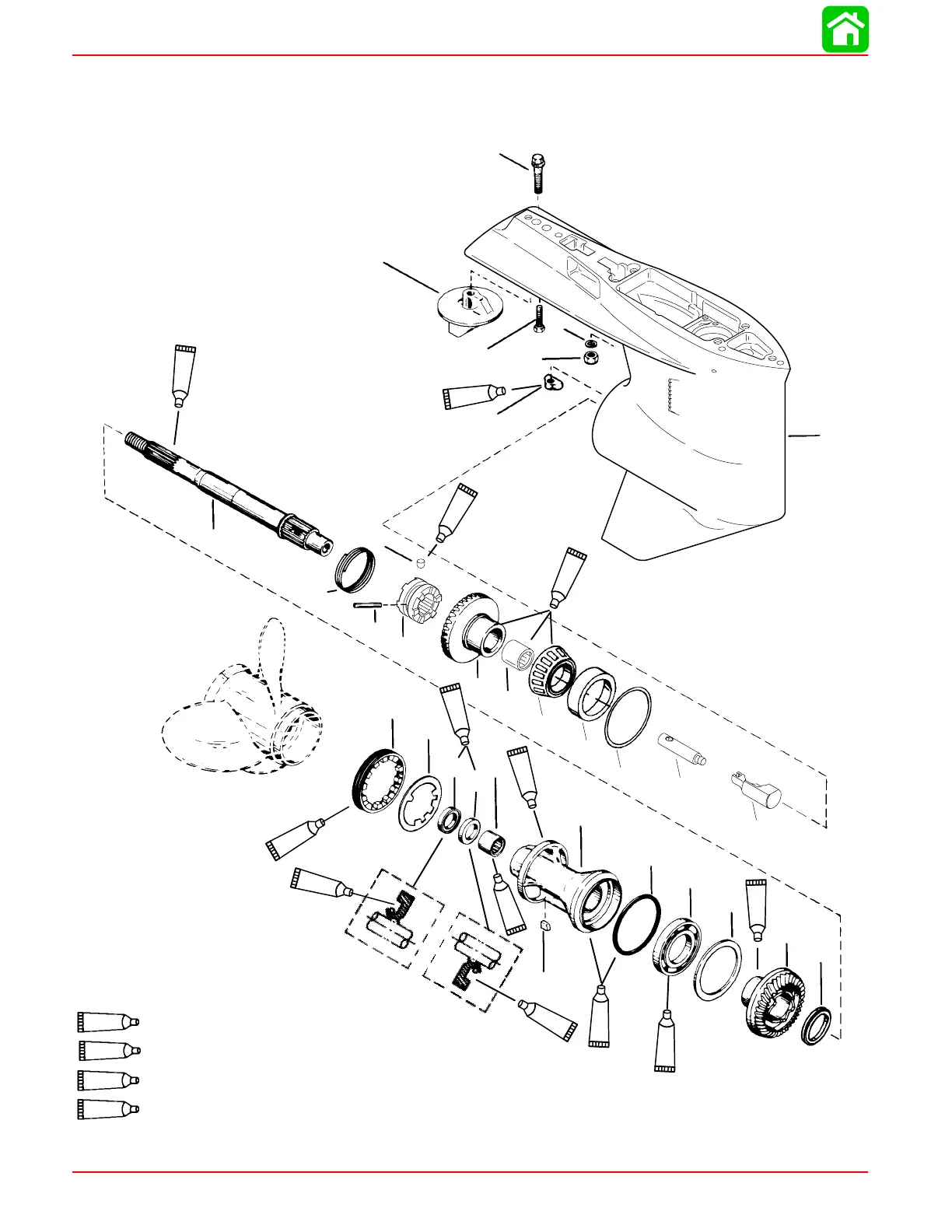
RIGHT HAND NON-RATCHETING
Page 6A-8 90-883728 JULY 2001
Gear Housing (Prop Shaft)(Standard Rotation)
1
49
50
51
52
53
54
56
57
58
59
60
61
62
63
64
65
66
67
68
69
70
71
72
73
74
75
76
77
78
55
95
95
87
95
95
87
87
95
95
95
87
7
94
4.75
IN/120.65MM
TORPEDO DIA.
7
Loctite 271
94
Anti-Corrosion Grease
95
2-4-C with Teflon
87
Quicksilver Gear Lubricant

Table of Contents

Related product manuals