EasyManua.ls Logo

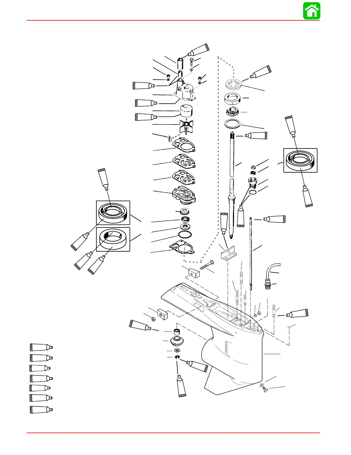
Mercury 175 EFI - Gear Housing (Drive Shaft)(Standard Rotation)

Mercury 175 EFI
631 pages
Print Icon
To Next Page IconTo Next Page
To Next Page IconTo Next Page
To Previous Page IconTo Previous Page
To Previous Page IconTo Previous Page
Loading...
RIGHT HAND NON-RATCHETING
Page 6A-6 90-883728 JULY 2001
Gear Housing (Drive Shaft)(Standard Rotation)
19
1
12
2
3
4
5
6
7
9
11
14
15
16
17
18
19
20
21
22
23
24
25
26
28
29
31
32
33
34
35
36
37
38
39
40
41
42
43
44
45
46
47
48
10
13
9
44
27
30
Liquid Soap (Purchase Locally)
G.E. Sealer RTV #1473
23
95
95
7
95
95
95
33
7
95
95
7
95
19
95
78
23
78
8
95
4.75
IN/120.65MM
TORPEDO DIA.
18
Perfect Seal
19
7
Loctite 271
Loctite 680
33
95
2-4-C with Teflon
92
Loctite 7649 Primer
92
7

Table of Contents

Related product manuals