EasyManua.ls Logo

Mercury 175 EFI - Page 527

Mercury 175 EFI
631 pages
Print Icon
To Next Page IconTo Next Page
To Next Page IconTo Next Page
To Previous Page IconTo Previous Page
To Previous Page IconTo Previous Page
Loading...
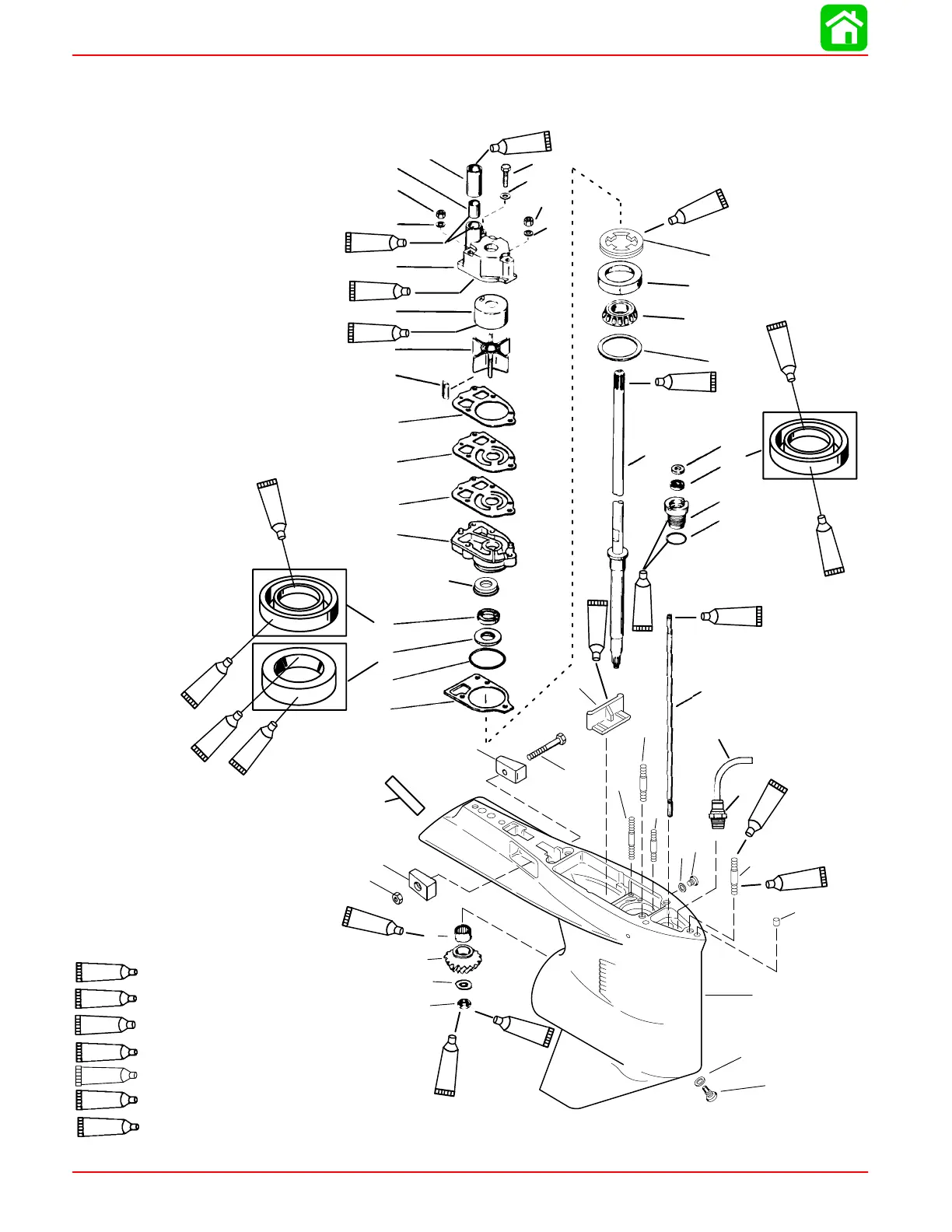
LEFT HAND NON-RATCHETING
Page 6B-6 90-883728 JULY 2001
Gear Housing (Drive Shaft)(Counter Rotation)
Soap (Purchase Locally)
23
4.75 IN/120.65 MM
TORPEDO DIA.
7
Loctite 271
Perfect Seal
19
Loctite 680
33
95
2-4-C with Teflon
34
33
1
12
2
3
4
5
7
8
9
10
11
14
15
16
18
13
19
20
21
22
23
24
25
26
28
29
31
32
35
36
37
38
39
40
41
42
43
45
46
47
48
6
17
44
19
9
44
27
30
49
23
95
95
7
95
95
95
98
33
7
95
95
7
95
19
95
78
95
18
92
Loctite 7649 Primer
92
7
G. E. RTV Sealant
78

Table of Contents

Related product manuals