EasyManua.ls Logo

Mercury 175 EFI - Page 529

Mercury 175 EFI
631 pages
Print Icon
To Next Page IconTo Next Page
To Next Page IconTo Next Page
To Previous Page IconTo Previous Page
To Previous Page IconTo Previous Page
Loading...
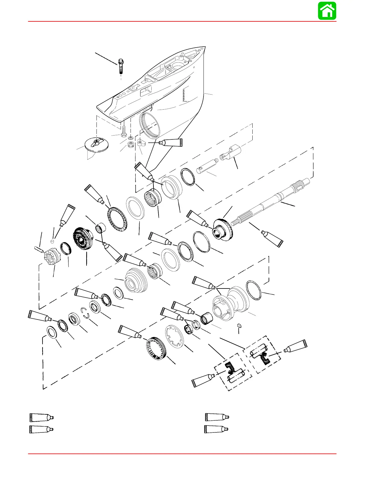
LEFT HAND NON-RATCHETING
Page 6B-8 90-883728 JULY 2001
Gear Housing (Prop Shaft)(Counter Rotation)
1
67
68
69
70
71
72
73
74
75
76
77
78
79
80
81
82
83
84
85
86
87
73
72
71
95
87
87
95
87
87
87
87
94
95
87
7
95
95
95
87
87
4.75 IN/120.65 MM
TORPEDO DIA.
7
Loctite 271
94
Anti-Corrosion Grease
95
2-4-C with Teflon
50
51
52
53
54
55
56
57
58
59
60
61
62
63
64
65
66
87
Quicksilver Gear Lubricant

Table of Contents

Related product manuals