EasyManua.ls Logo

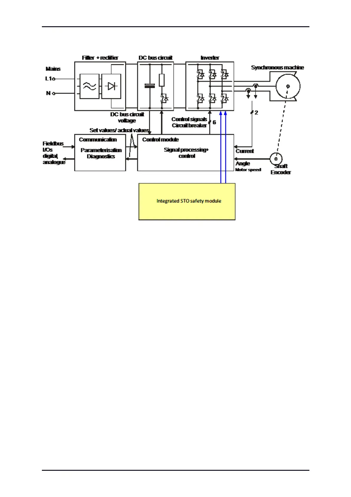
Metronix ARS 2102 SE - Figure 6: Schematic Representation of the Integrated Safety Function STO

Default Icon
156 pages
Print Icon
To Next Page IconTo Next Page
To Next Page IconTo Next Page
To Previous Page IconTo Previous Page
To Previous Page IconTo Previous Page
Loading...
Page 65
Figure 6: Schematic representation of the integrated safety function STO
Product Manual „Servo drives ARS 2100 SE“ Version 5.0

Table of Contents

Other manuals for Metronix ARS 2102 SE

Related product manuals