EasyManua.ls Logo

Microcare LCD MPPT 20 - Connecting 2 X Mppts in Parallel

Microcare LCD MPPT 20
47 pages
Print Icon
To Next Page IconTo Next Page
To Next Page IconTo Next Page
To Previous Page IconTo Previous Page
To Previous Page IconTo Previous Page
Loading...
16
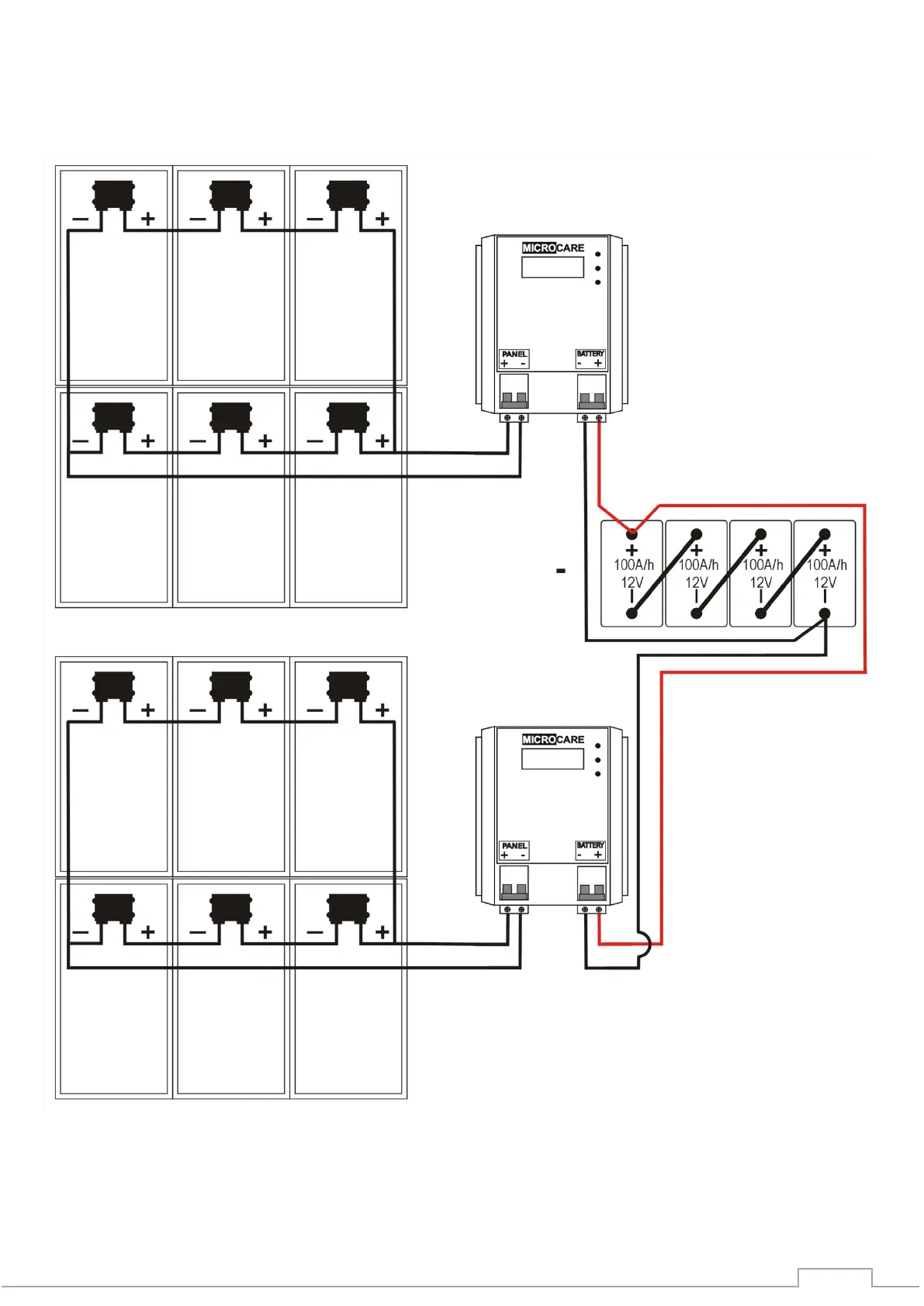
WIRING INFORMATION
4.3.4 Connecting 2 x MPPT’s in Parallel
This configuration can be used when connecting 2 arrays to one battery bank.

Table of Contents