EasyManua.ls Logo

Midway Offroad Thunder - Page 72

Default Icon
150 pages
Print Icon
To Next Page IconTo Next Page
To Next Page IconTo Next Page
To Previous Page IconTo Previous Page
To Previous Page IconTo Previous Page
Loading...
Wiring & Circuit Information 4-12
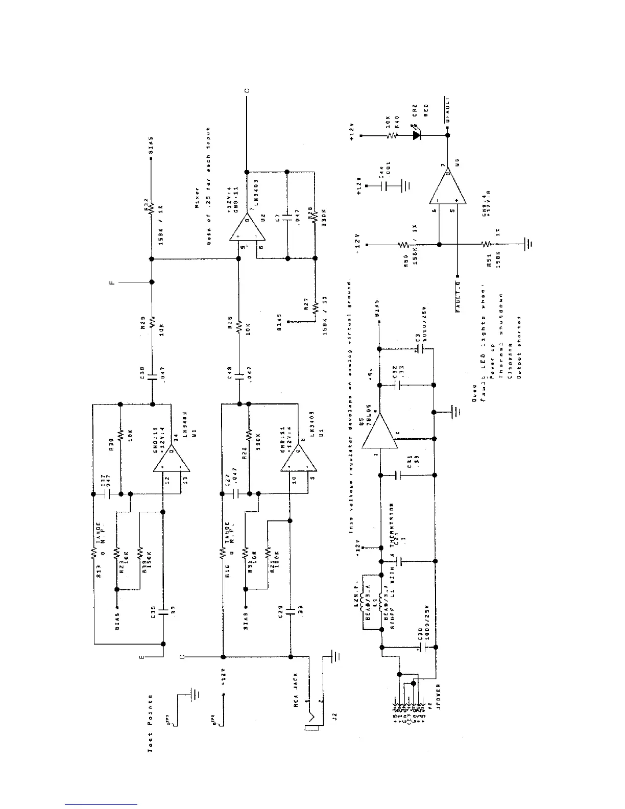
BB12 Audio Amplifier Board Schematic, 2/4

Related product manuals