EasyManua.ls Logo

Midway Offroad Thunder - Page 84

Default Icon
150 pages
Print Icon
To Next Page IconTo Next Page
To Next Page IconTo Next Page
To Previous Page IconTo Previous Page
To Previous Page IconTo Previous Page
Loading...
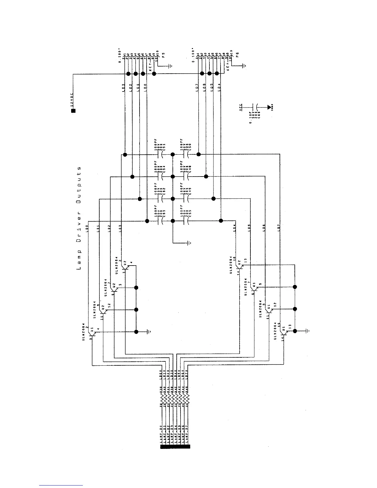
Wiring & Circuit Information 4-24
Wheel Driver Board Schematic, 6/8

Related product manuals