EasyManua.ls Logo

Miller Electric Syncrowave 500 - Electrical Diagram

Miller Electric Syncrowave 500
56 pages
Print Icon
To Next Page IconTo Next Page
To Next Page IconTo Next Page
To Previous Page IconTo Previous Page
To Previous Page IconTo Previous Page
Loading...
OM-350 Page 26
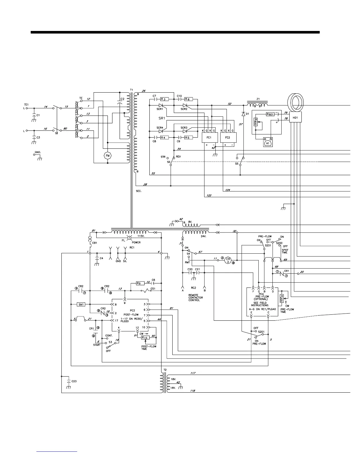
SECTION 5 ELECTRICAL DIAGRAM
Figure 5-1. Circuit Diagram For Welding Power Source

Table of Contents

Related product manuals