EasyManua.ls Logo

Mindray XP8-2TU - Bite-Hole Inspection Test

Mindray XP8-2TU
59 pages
Print Icon
To Next Page IconTo Next Page
To Next Page IconTo Next Page
To Previous Page IconTo Previous Page
To Previous Page IconTo Previous Page
Loading...
TransducerControlsandInspection
24 Operator's Manual
Checkingtheintegrityoftheinsulatingmaterialcannotalwaysbeaccomplishedbyvisual
inspections.Aprogramformeasuringtheelectricalleakagecurrentonaregularbasis
shouldbeestablished.Asaminimum,leakagetestsaccordingtoEN60601-1/IEC60601.1
§19mustbeperformedonceayear,orasrequiredbylocalregulation.Theleakage
limitsassociatedwithTypeBFAppliedPartmustbemet.Thetestrequiresaccesstothe
ultrasoundsystemandtostandardizedtestequipment.Thetransducerhastobeimmersed
inaNormalSalinesolution(50gNaClperliterwater)toabovethe40cmmark(butbelow
thehandle).
Mindrayrecommendskeepingawrittenlogoftheresults.
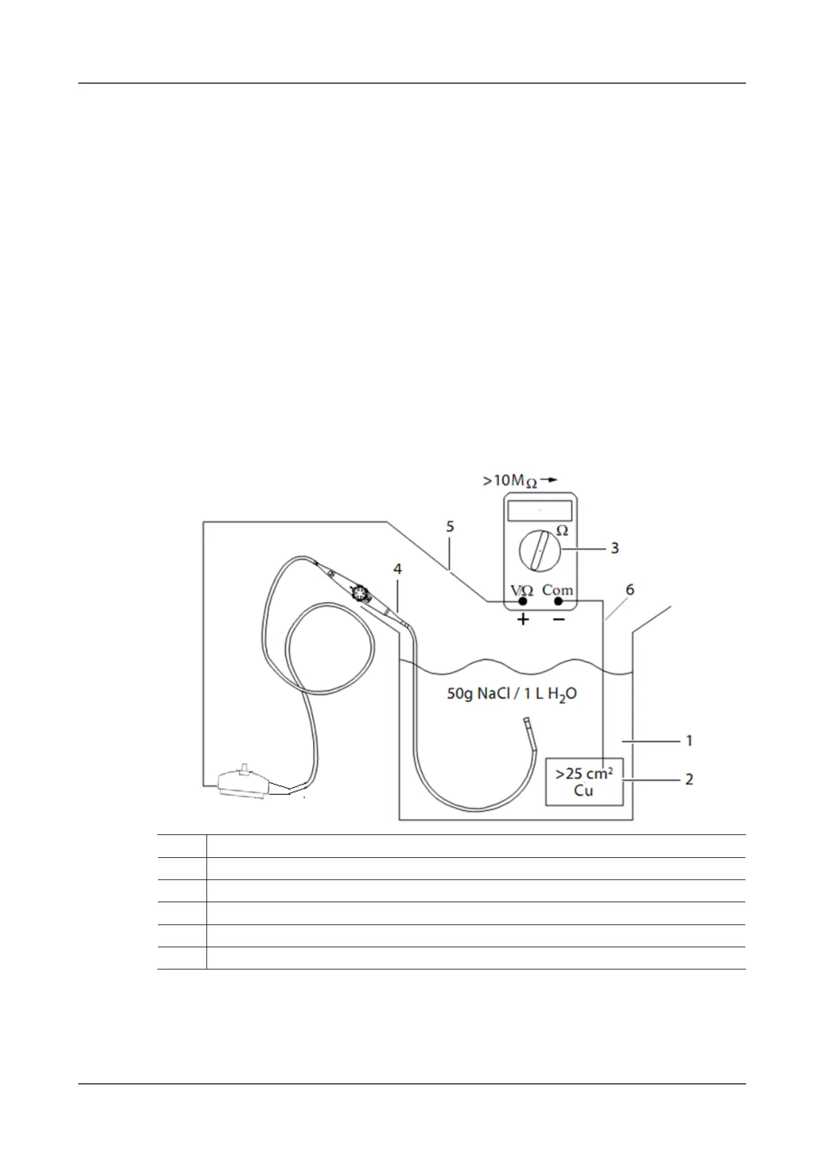
3.3.2 Bite-hole Inspection Test
Bite-holesorotherdamagesoftheendoscopesurfacecanalternativelybedetected
byasimplifiedtestwithouttheaccesstotheultrasoundsystem,byusingthefollowing
procedure.Theobjectiveofthistestistodetectbite-holes.Itissafeandeasytoperform,
butisnotanisolationorleakagecurrenttestasdescribedinEN60601-1.Thetest
equipmentisshowningurebelow.
Figure 3-4 Connection with test equipment (for reference only)
OK
1 Waterbath
2 Copperoraluminumsheet
3 Multimeter
4 TEEtransducer
5 Positivelead
6 Negativelead
Test Setup
Assemblethefollowingitemsforthetest.
Waterbathwitha1Normalsalinesolution(50gNaCl/1literwater).

Table of Contents