EasyManua.ls Logo

Motorola APX 3000 - Page 355

Motorola APX 3000
474 pages
Print Icon
To Next Page IconTo Next Page
To Next Page IconTo Next Page
To Previous Page IconTo Previous Page
To Previous Page IconTo Previous Page
Loading...
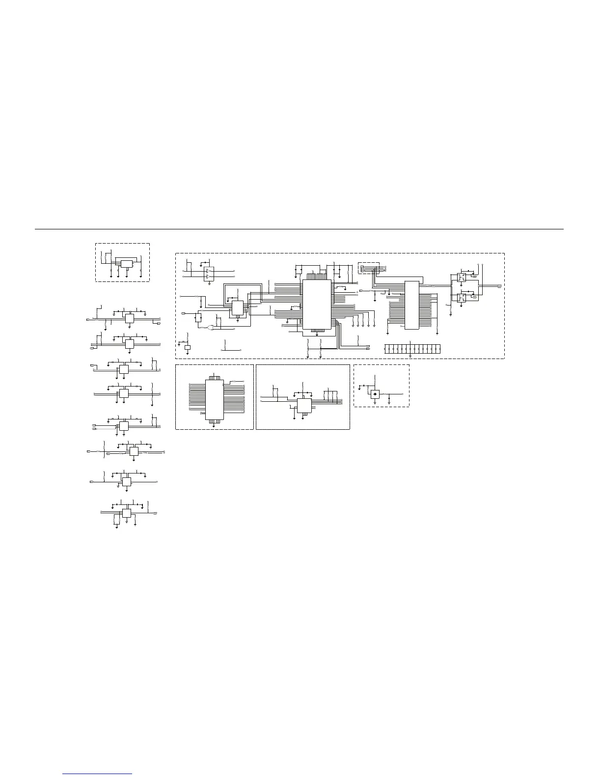
Schematics, Boards Overlays, and Parts Lists: Main Board Block: VHF (84012512001_A) 8-133
Figure 8-78. GPS Bluetooth Circuit - 2 of 2
3.3V LDO
GND2
GND1
BYPASS
SENSE
INPUT
NC
OUTPUT
4.7UF
LP2989
.01UF
GPS_BT_3.3V
C2416M3
U2402M3
C2415M3
1
7
3
9
4
2
5
6
8
ERROR
SHUTDOWN
0
DNP
0
0
4.7UF
VCC_1.85
R2451M3
C2414M3
R2406M3
R2405M3
V_SW_3.60
A1
A2
VCCA
VCCB
GND
B1
B2
DIR
SN74LVC2T45
GPS_BT_3.3V
U2406M3
BT_HOST_WAKEUP_3.3V
BT_AVR_RESET_3.3V
B1
C1
B2
C2
D2
D1 A1
A2
.1UF
.1UF
VCC_1.85
C2444M3
C2438M3
X
100K
0
VCC_1.85
R2453M3
R1312M3
BT_HOST_WAKEUP_1.8V
BT_AVR_RESET
IN
4.7K
VCC_1.85
VCC_1.85 GPS_BT_3.3V
TP2413M3
R2458M3
1
A1
A2
VCCA
VCCB
GND
B1
B2
DIR
.1UF
SN74LVC2T45
.1UF
C2439M3
C2445M3
U2407M3
BT_UART_TX_3.3V
BT_UART_RTS_3.3V
B1
C1
B2
C2
D2
D1
A1
A2
X
X
100K
100K
R2459M3
R2454M3
BT_UART_TX_1.8V
BT_UART_RTS_1.8V
OUT
X
X
.1UF
.1UF
VCC_1.85
GPS_BT_3.3V
GPS_BT_3.3V
C2440M3
C2446M3
BT_UART_RX_1.8V
BT_UART_CTS_1.8V
IN
A1
A2
VCCA
VCCB
GND
B1
B2
DIR
100K
SN74LVC2T45
100K
U2408M3
R2460M3
R2455M3
BT_UART_CTS_3.3V
BT_UART_RX_3.3V
B1
C1
B2
C2
D2
D1
A1
A2
.1UF
GPS_BT_3.3V
VCC_1.85
GPS_BT_3.3V
C2447M3
U2409M3
C2441M3
BT_SHUTDOWN_1.8V
BT_WAKEUP_1.8V
A1
A2
A1
A2
VCCA
VCCB
GND
B1
B2
DIR
100K
.1UF
100K
SN74LVC2T45
R2456M3
R2461M3
BT_SHUTDOWN_3.3V
BT_WAKEUP_3.3V
B1
C1
B2
C2
D2
D1
X
X
A1
A2
VCCA
VCCB
GND
B1
B2
DIR
.1UF
SN74LVC2T45
.1UF
VCC_1.85
GPS_BT_3.3V
C2448M3
C2442M3
U2410M3
BT_PTT_3.3V
AVR_STATUS_3.3V
AVR_STATUS_1.8V
BT_PTT
B1
C1
B2
C2
D2
D1 A1
A2
OUT
OUT
10K
100K
GPS_BT_3.3V
R2465M3
R2473M3
100K
0
0
VCC_1.85
R2450M3
TP2417M3
R1314M3
32KHZ
USB_BOOT_1.8V
1
IN
IN
A1
A2
VCCA
VCCB
GND
B1
B2
DIR
SN74LVC2T45
0
.1UF
.1UF
VCC_1.85 GPS_BT_3.3V
C2477M3
R2407M3
U2478M3
C2479M3
R2418M3
USB_BOOT_3.3V
32KHZ_3.3V
B1
C1
B2
C2
D2
D1 A1
A2
.1UF
100K
.1UF
GPS_BT_3.3V
VCC_1.85
VCC_1.85
C2483M3
C2468M3
R2436M3
ACC_SPKR_UNMUTE_1.8
IN
A1
A2
VCCA
VCCB
GND
B1
B2
DIR
SN74LVC2T45
U2414M3
ACC_SPKR_UNMUTE_3.3B1
C1
B2
C2
D2
D1
A1
A2
A1
A2
VCCA
VCCB
GND
B1
B2
DIR
.1UF
100K
100K
100K
.1UF
SN74LVC2T45
VCC_1.85GPS_BT_3.3V
C2469M3
U2473M3
C2482M3
R2479M3
R2472M3
R2437M3
BT_SPARE_DIR
BT_SPARE_3.3
BT_SPARE_1.8
B1
C1
B2
C2
D2
D1
A1
A2
100K
VCC_1.85
R2488M3
IO
20
R2467M3
SDA05
SDCK
SDA07
SDCKE
SDA11
SDA10
SDA09
SDA08
SDA06
SDA04
SDA03
SDA02
SDA01
SDA00
BA1
BA0
SDRAM_CS
CAS
RAS
SDWE
G8
G7
G2
H9
G3
H1
H2
H3
J2
J3
J7
J8
H8
H7
F9
F8
G9
F7
F2
F3
128MB SDRAM
NC
NC
CKE
CLK
CAS
CS
RAS
WE
A0
A1
A2
A3
A4
A5
A6
A7
A8
A9
A10
A11
BA0
BA1
DQ0
DQ1
DQ2
DQ3
DQ4
DQ5
DQ6
DQ7
DQ8
DQ9
DQ10
DQ11
DQ12
DQ13
DQ14
DQ15
DQMH
DQML
NC1
NC2
VDD1
VDD2
VDD3
VDDQ1
VDDQ2
VDDQ3
VDDQ4
VSS1
VSS2
VSS3
VSSQ1
VSSQ2
VSSQ3
VSSQ4
GPS_BT_3.3V
MT48LC8M16A2
U2413M3
DATA02
DATA00
DATA03
DATA10
DATA09
DATA05
DATA07
DATA08
DATA06
DATA04
UDQM
DATA15
DATA14
DATA13
DATA12
DATA11
DATA01
LDQM
D7
C3
B7
A3
J1
E3
A1
D3
C7
B3
A7
J9
E7
A9
G1
E2
E8
F1
A2
B1
B2
C1
C2
D1
D2
E1
E9
D8
D9
C8
C9
B8
B9
A8
ACCELEROMETER
.1UF
GPS_BT_3.3V
10UF
0
100K
100K
GPS_BT_3.3V
C2478M3
R2493M3
C2449M3
R2434M3
R2433M3
MS_INT2
MS_INT1
NC
NC
100K
100K
100K
100K
LIS331DL
GPS_BT_3.3V
R2497M3
R2466M3
R2452M3
R2449M3
U2416M3
SPI0_MOSI
SPI0_MISO
SPI0_CLK
SPI0_CS2
8
2
3
4
6
7
NC1
NC2
SDO_SA0
INT_2
GND3
GND2
GND1
SCL_SPC
RSVD2
VDD_IO
VDD
RSVD1
GND4
SDA_SDI_SDO
CS
INT_1
GPS_BT_3.3V
5
12
13
16
11
9
10
15
14
1
12MHZ OSC
0
0
.1UF
GPS_BT_3.3V
R2408M3
R2435M3
C2474M3
OE
OUT
VDD
GND
10PF
150
DS0211AR
40.2MHZ
C2473M3
R2412M3
Y2475M3
12M_CLK_IN
2
13
4
1K
DNP
1K
100K
GPS_BT_3.3V
GPS_BT_3.3V
DNP
100K
R1328M3R1327M3
R1324M3
R1316M3
GPS_BT_3.3V
100K
R2444M3
AVR_USART2_RX
AVR_USART2_TX
IN
OUT
.1UF
.1UF
.1UF
.1UF
.1UF
.1UF
.1UF
.1UF
.1UF
.1UF
.1UF
.1UF
.1UF
.1UF
GPS_BT_3.3V
C2467M3
C2466M3
C2464M3
C2463M3
C2462M3
C2461M3
C2460M3
C2459M3
C2458M3
C2456M3
C2455M3
C2453M3
C2452M3
C2450M3
10K
R2489M3
27
27
R2485M3
R2484M3
BA1
SDA02
SDA08
SDA06
SDA07
SDA09
SDA04
SDA03
DATA13
SDA00
SDA01
DATA11
LDQM
DATA15
DATA14
DATA12
SDA05
SDA11
BA0
D12
D11
F8
E10
E9
C11
D8
C8
E7
D7
D6
C6
E6
C5
D5
D4
E4
E3
C2
F3
G4
G3
G5
H3
H4
H1
C7
TDO
PX17
PX18
PX19
PX20
PX21
PX22
PX23
PX24
PX27
PX26
PX25
PX28
PX29
PX30
PX31
PX32
PX33
PX34
PX35
PX37
PX36
PX38
PX39
TCK
RESET
TDI
DP
ADVREF
VBUS
DM
PC00
PC01
PC04
PC03
PC02
PC05
PX00
PX01
PX02
PX03
PX04
PX05
PX06
PX08
PX07
PX09
PX10
PX11
PX12
PX13
PX14
PX15
NC
PX16
TMS
AT32UC3A
U2415M3
C9
G12
A7
B7
C4
G2
K2
K1
J4
J5
K5
M5
L6
M9
L9
M10
K9
M11
L10
H9
K12
J11
J9
F10
M8
F5
J1
G1
E12
NC
NC
NC
DATA03
DATA04
DATA08
DATA10
DATA09
DATA05
OSC0_OUT
DATA01
DATA00
PD
DATA02
12M_CLK_IN
SDRAM_CS
DATA07
DATA06
UDQM
1
0
1UF
R1319M3
TP2419M3
TP2436M3
TP2416M3
C2480M3
TP2437M3
BT_AVR_VBUS
BT_AVR_RESET_3.3V
1
1
1
IN
TP2450M3
TP2453M3
TP2452M3
TP2451M3
1
1
1
1
JTAG
AVR_TDO
AVR_TCK
AVR_TMS
AVR_TDI
OUT
IN
IN
IN
10K
470PF
2.2UF
GPS_BT_3.3V
C2471M3
R2491M3
C2470M3
VDDCORE
100K
4.7UF
100K
1000PF
GPS_BT_3.3V
R2496M3
R2495M3
C2417M3
C2472M3
100K
R2404M3
BOARD_REV4
TC1_OCA
BOARD_REV2
SDA10
BT_PTT_3.3V
BT_SHUTDOWN_3.3V
BT_WAKEUP_3.3V
BOARD_REV0
BOARD_REV1
BOARD_REV3
TEST_GPIO2
TEST_GPIO1
SDCK
CAS
SDCKE
SDWE
RAS
ACC_SPKR_UNMUTE_3.3
BT_HOST_WAKEUP_3.3V
10K
R2492M3
E8
H2
H8
H11
H12
L8
A1
B5
E2
E5
H5
E11
M12
L5
B8
100K
GPS_BT_3.3V
TP2435M3
R2481M3
NFC_DAT
1
10K
10K
R2486M3
R2490M3
SPI0_CS2
SPI0_MOSI
SPI0_CLK
USB_BOOT_3.3V
ATMEL_BOOT
BT_SPARE_DIR
NFC_WAKE
BT_SPARE_3.3
PD
BT_UART_RTS_3.3V
USART1_RX
USART1_CLK
SPI0_MISO
MS_INT1
MS_INT2
NFC_CS
BT_UART_CTS_3.3V
BT_UART_RX_3.3V
BT_UART_TX_3.3V
AVR_STATUS_3.3V
100K
GPS_BT_3.3V
R2480M3
PB00
PB02
PB01
PB03
PB04
PB05
PB08
PB07
PB06
PB09
PB10
PB13
PB12
PB11
PB14
PB15
VDDOUT
VDDIN
VDDANA
VDDPLL
VDDCORE4
VDDCORE2
VDDCORE3
PB16
PB17
PB19
PB20
PB21
PB23
PB25
PB26
PB28
PB27
PB29
PB30
PB31
GND8
GND9
GNDANA
GND6
GND7
VDDCORE1
VDDIO7
VDDIO6
VDDIO5
VDDIO4
VDDIO3
VDDIO2
VDDIO1
PA01
PA00
PA02
PA07
PA06
PA05
PA08
PA09
PA12
PA11
PA10
PA13
PA14
GND3
GND4
GND5
GND2
GND1
PA17
PA15
PA16
PA18
PA19
PA20
PA22
PA21
PA23
PA24
PA25
PA27
PA26
PA28
PA29
PA30
PB24
PB18
PB22
PA04
PA03
AT32UC3A
U2415M3
L4
M1
B2
F6
F7
G6
G7
L2
B11
K10
L11
C10
J6
H6
K8
J7
J8
K11
L12
J10
H10
J12
H7
G11
G10
G9
F12
F11
G8
F9
D9
C12
D10
B10
B12
A12
A11
A10
A9
B9
A8
C3
F1
B6
A6
A4
A5
B4
A3
B3
A2
B1
C1
E1
D1
D3
D2
F2
J3
F4
J2
L3
K3
K4
L1
M2
M3
M4
M6
M7
K6
K7
L7
AVR + LF
A1
A2
VCC
GND
Y1
Y2
100K
100K
.1UF
NLU2G04
GPS_BT_3.3VGPS_BT_3.3V
C2443M3
U2411M3
R2414M3
R2478M3
USART1_RX
NFC_CS_INV
NFC_DAT
NFC_CS
1
3
25
6
4
1000PF
15K
C2475M3
R2457M3
32KHZ_3.3V
1%
270K
180PF
100K
150
NL17SZ02
5.1PF
100K
GPS_BT_3.3V
R2474M3
R2477M3
R2476M3
C2457M3
U2412M3
R2475M3
C2454M3
USART1_TX
TC1_OCA
NFC_COIL
NFC_CS_INV
1
2
4
OUT
DAT
SDO
XOUT
WAKE
NC2
NC1
NC3
CTGND
VCC
SDI
CS
SCL
XIN
GND
VSS
LFN
LF1P
AS3930A
51009735001
100
1UF
GPS_BT_3.3V
R2419M3
C2465M3
U2403M3
11
G1
9
16
3
4
1
2
10
12
13
14
15
7
8
5
6
100K
GPS_BT_3.3V
R2416M3
TP2466M3
ATMEL_BOOT
1
VCC
GND
.1UF
NL17SZ02
47
GPS_BT_3.3V
R2441M3
U2412M3
C2451M3
35
PP AVR BOARD ID
1K
1K
DNP
1K
1K
1K
DNP
R2471M3
R2470M3
R2469M3
R2443M3
R2442M3
10K
R2487M3
OUT
S
B1
B0
VCCGND
A
S
B1
B0
VCCGND
A
.1UF
FSA4157L6X
FSA4157L6X
.1UF
GPS_BT_3.3V
GPS_BT_3.3V
C1340M3
C1316M3
U1335M3
U1334M3
34
6
5
1
2
34
6
5
1
2
IO
100K
R1333M3
TP1301M3
AVR_EXT_USB
1
TP2415M3
TP2414M3
BT_AVR_USB_DP_TP
BT_AVR_USB_DP
BT_AVR_USB_DM
BT_AVR_USB_DM_TP
1
1
IO
IO
IO

Table of Contents

Other manuals for Motorola APX 3000

Related product manuals