EasyManua.ls Logo

Motorola APX 3000 - Page 407

Motorola APX 3000
474 pages
Print Icon
To Next Page IconTo Next Page
To Next Page IconTo Next Page
To Previous Page IconTo Previous Page
To Previous Page IconTo Previous Page
Loading...
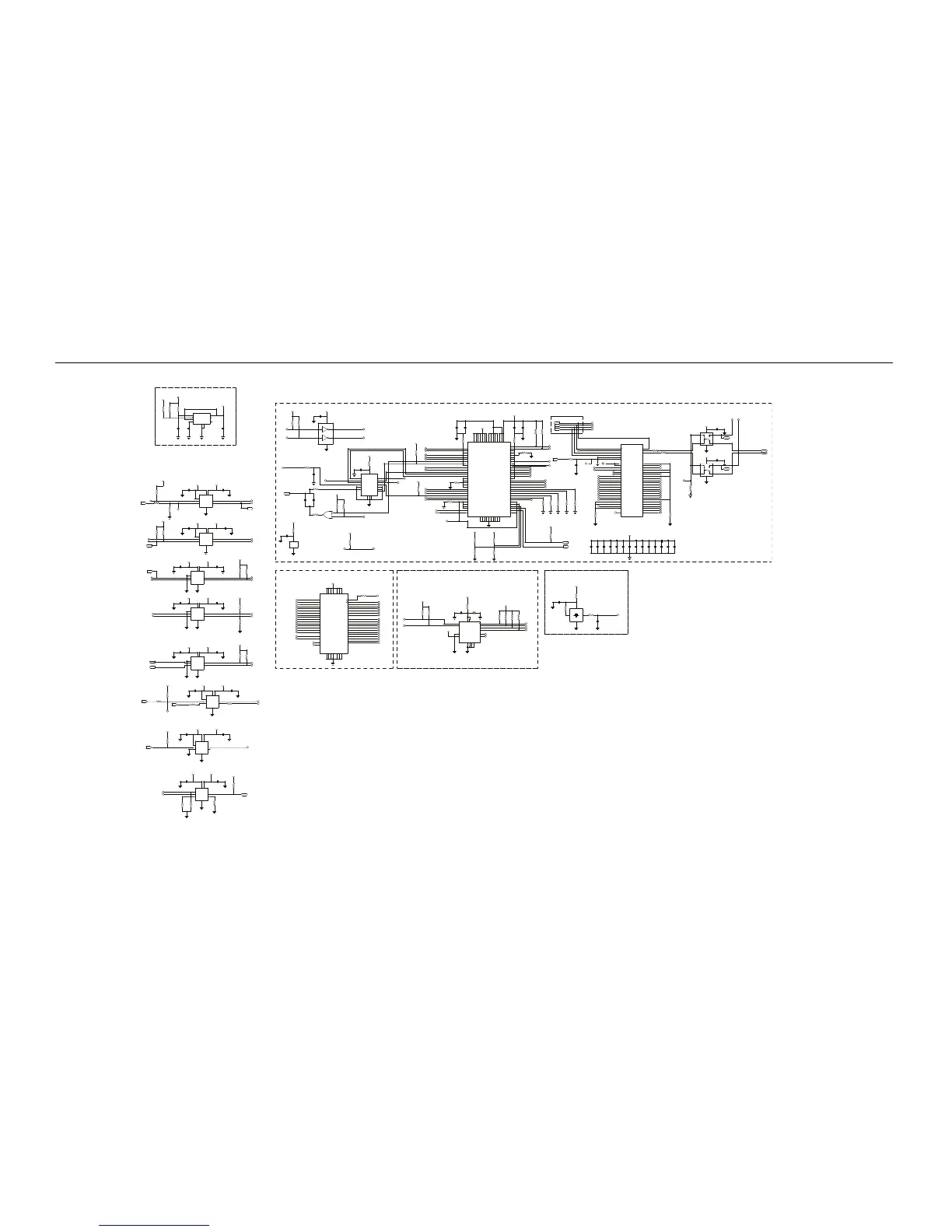
Schematics, Boards Overlays, and Parts Lists: Main Board Block: UHF2 (84012616001) 8-185
Figure 8-109. GPS Bluetooth Circuit - 2 of 2
3.3V LDO
GND2
GND1
BYPASS
SENSE
INPUT
NC
OUTPUT
LP2989
4.7UF
.01UF
GPS_BT_3.3V
U2402M3
C2415M3
C2414M3
8
6
5
2
4
9
3
7
1
ERROR
SHUTDOWN
0
0
DNP
VCC_1.85
0
R2451M3
R2406M3
R2405M3
V_SW_3.60
4.7UF
C2416M3
A1
A2
VCCA
VCCB
GND
B1
B2
DIR
.1UF
GPS_BT_3.3V
SN74LVC2T45
VCC_1.85
C2444M3
C2438M3
U2406M3
BT_AVR_RESET_3.3V
BT_HOST_WAKEUP_3.3V
A2
A1
D1
D2
C2
B2
C1
B1
OUT
X
.1UF
100K
VCC_1.85
TP2413M3
R2453M3
BT_AVR_RESET
BT_HOST_WAKEUP_1.8V
1
IN
4.7K
0
VCC_1.85
R2458M3
R1312M3
X
X
A1
A2
VCCA
VCCB
GND
B1
B2
DIR
.1UF
GPS_BT_3.3V
SN74LVC2T45
.1UF
VCC_1.85
100K
100K
C2439M3
R2459M3
R2454M3
C2445M3
U2407M3
BT_UART_RTS_1.8V
BT_UART_TX_3.3VBT_UART_TX_1.8V
BT_UART_RTS_3.3V
A2
A1D1
D2
C2
B2
C1
B1
OUT
A1
A2
VCCA
VCCB
GND
B1
B2
DIR
.1UF
100K
SN74LVC2T45
GPS_BT_3.3V
GPS_BT_3.3V
VCC_1.85
100K
.1UF
C2440M3
U2408M3
R2460M3
R2455M3
C2446M3
BT_UART_CTS_1.8V
BT_UART_RX_3.3V
BT_UART_CTS_3.3V
BT_UART_RX_1.8V
A2
A1
D1
D2
C2
B2
C1
B1
IN
X
X
X
X
A1
A2
VCCA
VCCB
GND
B1
B2
DIR
.1UF
SN74LVC2T45
.1UF
GPS_BT_3.3V
VCC_1.85
GPS_BT_3.3V
C2447M3
U2409M3
C2441M3
BT_WAKEUP_1.8V
BT_SHUTDOWN_1.8V
BT_WAKEUP_3.3V
BT_SHUTDOWN_3.3V
A2
A1D1
D2
C2
B2
C1
B1
100K
100K
R2456M3
R2461M3
.1UF
GPS_BT_3.3V
VCC_1.85
C2448M3
A1
A2
VCCA
VCCB
GND
B1
B2
DIR
SN74LVC2T45
.1UF
C2442M3
U2410M3
BT_PTT
AVR_STATUS_1.8V
AVR_STATUS_3.3V
BT_PTT_3.3V
A2
A1
D1
D2
C2
B2
C1
B1
OUT
OUT
100K
GPS_BT_3.3V
10K
R2465M3
R2473M3
A1
A2
VCCA
VCCB
GND
B1
B2
DIR
.1UF
0
.1UF
VCC_1.85 GPS_BT_3.3V
0
SN74LVC2T45
C2477M3
R2407M3
U2478M3
C2479M3
R2418M3
32KHZ_3.3V
USB_BOOT_3.3V
32KHZ
A2
A1
D1
D2
C2
B2
C1
B1
IN
0
VCC_1.85
100K
R2450M3
TP2417M3
R1314M3
USB_BOOT_1.8V
1
IN
A1
A2
VCCA
VCCB
GND
B1
B2
DIR
.1UF
SN74LVC2T45
100K
VCC_1.85
VCC_1.85
GPS_BT_3.3V
.1UF
C2483M3
C2468M3
R2436M3
U2414M3
ACC_SPKR_UNMUTE_1.8
ACC_SPKR_UNMUTE_3.3
A2
A1
D1
D2
C2
B2
C1
B1
IN
A1
A2
VCCA
VCCB
GND
B1
B2
DIR
SN74LVC2T45
.1UF
100K
100K
.1UF
100K
GPS_BT_3.3V VCC_1.85
VCC_1.85
C2469M3
U2473M3
R2488M3
C2482M3
R2479M3
R2472M3
R2437M3
BT_SPARE_1.8
BT_SPARE_3.3
BT_SPARE_DIR
A2
A1D1
D2
C2
B2
C1
B1
IO
100K
20
R2467M3
SDCK
SDCKE
SDWE
RAS
CAS
SDRAM_CS
BA0
BA1
SDA00
SDA01
SDA03
SDA05
SDA07
SDA10
SDA11
SDA08
SDA09
SDA06
SDA02
SDA04
128MB SDRAM
NC
NC
CKE
CLK
CAS
CS
RAS
WE
A0
A1
A2
A3
A4
A5
A6
A7
A8
A9
A10
A11
BA0
BA1
DQ0
DQ1
DQ2
DQ3
DQ4
DQ5
DQ6
DQ7
DQ8
DQ9
DQ10
DQ11
DQ12
DQ13
DQ14
DQ15
DQMH
DQML
NC1
NC2
VDD1
VDD2
VDD3
VDDQ1
VDDQ2
VDDQ3
VDDQ4
VSS1
VSS2
VSS3
VSSQ1
VSSQ2
VSSQ3
VSSQ4
MT48LC8M16A2
GPS_BT_3.3V
U2413M3
DATA08
DATA09
DATA10
DATA11
DATA05
UDQM
LDQM
DATA15
DATA13
DATA14
DATA12
DATA07
DATA06
DATA03
DATA04
DATA00
DATA02
DATA01
F9
D7
C3
B7
A3
J1
E3
A1
D3
C7
B3
A7
J9
E7
A9
F8
G1
E2
E8
F1
A2
B1
B2
C1
C2
D1
D2
E1
E9
D8
D9
C8
C9
B8
B9
A8
G9
F2
F3
F7
G8
G7
G2
H9
G3
H1
H2
H3
J2
J3
J7
J8
H8
H7
VDD_IO
100K
100K
.1UF
0
10UF
GPS_BT_3.3V
GPS_BT_3.3V
C2478M3
R2493M3
C2449M3
R2434M3
R2433M3
MS_INT2
MS_INT1
1
14
NC1
NC2
SDO_SA0
INT_2
GND3
GND2
GND1
SCL_SPC
RSVD2
VDD
RSVD1
GND4
SDA_SDI_SDO
CS
INT_1
NC
NC
LIS331DL
GPS_BT_3.3V
U2416M3
SPI0_CS2
SPI0_CLK
SPI0_MISO
SPI0_MOSI
7
6
4
15
10
3
2
9
11
16
13
12
5
8
100K
100K
100K
100K
GPS_BT_3.3V
R2497M3
R2466M3
R2452M3
R2449M3
ACCELEROMETER
12MHZ OSC
OE
OUT
VDD
GND
40.2MHZ
DS0211AR
.1UF
0
0
150
10PF
GPS_BT_3.3V
C2473M3
R2412M3
R2408M3
R2435M3
C2474M3
Y2475M3
12M_CLK_IN
4
31
2
A1
A2
VCC
GND
Y1
Y2
100K
100K
.1UF
GPS_BT_3.3V GPS_BT_3.3V
NLU2G04
C2443M3
U2411M3
R2414M3
R2478M3
NFC_DAT
NFC_CS
4
6
52
3
1
NFC_CS_INV
USART1_RX
1%
VCC
GND
15K
NL17SZ02
.1UF
47
100K
100K
NL17SZ02
270K
GPS_BT_3.3V
GPS_BT_3.3V
1000PF
180PF
5.1PF
150
C2475M3
R2474M3
R2457M3
R2477M3
R2476M3
C2457M3
U2412M3
R2475M3
C2454M3
R2441M3
U2412M3
C2451M3
32KHZ_3.3V
NFC_CS_INV
NFC_COIL
TC1_OCA
USART1_TX
4
2
1
53
OUT
DAT
SDO
XOUT
WAKE
NC2
NC1
NC3
CTGND
VCC
SDI
CS
SCL
XIN
GND
VSS
LFN
LF1P
1UF
GPS_BT_3.3V
100
51009735001
AS3930A
R2419M3
C2465M3
U2403M3
5
7
15
13
12
4
3
16
G1
11
TP2435M3
NFC_DAT
1
6
8
14
10
2
1
9
100K
GPS_BT_3.3V
R2481M3
100K
GPS_BT_3.3V
R2480M3
USART1_RX
NFC_CS
BT_UART_TX_3.3V
BT_UART_CTS_3.3V
BT_UART_RX_3.3V
SPI0_MISO
USART1_CLK
BT_UART_RTS_3.3V
SPI0_CLK
SPI0_MOSI
SPI0_CS2
10K
R2490M3
MS_INT1
PD
BT_SPARE_3.3
NFC_WAKE
BT_SPARE_DIR
AVR_STATUS_3.3V
ATMEL_BOOT
USB_BOOT_3.3V
MS_INT2
10K
R2486M3
F1
C3
A8
B9
A9
A10
A11
A12
B12
B10
D10
C12
D9
F9
G8
F11
F12
G9
G10
G11
H7
J12
H10
J10
L12
K11
J8
J7
K8
H6
J6
AVR + LF
10K
GPS_BT_3.3V
470PF
2.2UF
C2471M3
R2491M3
C2470M3
VDDCORE
C10
L11
K10
B11
L2
G7
G6
F7
F6
B2
L7
K7
K6
M7
M6
M4
M3
L4
M2
M1
L1
K4
K3
L3
J2
F4
J3
F2
D2
D3
D1
E1
C1
B1
A2
B3
A3
B4
A5
A4
A6
B6
PB00
PB02
PB01
PB03
PB04
PB05
PB08
PB07
PB06
PB09
PB10
PB13
PB12
PB11
PB14
PB15
VDDOUT
VDDIN
VDDANA
VDDPLL
VDDCORE4
VDDCORE2
VDDCORE3
PB16
PB17
PB19
PB20
PB21
PB23
PB25
PB26
PB28
PB27
PB29
PB30
PB31
GND8
GND9
GNDANA
GND6
GND7
VDDCORE1
VDDIO7
VDDIO6
VDDIO5
VDDIO4
VDDIO3
VDDIO2
VDDIO1
PA01
PA00
PA02
PA07
PA06
PA05
PA08
PA09
PA12
PA11
PA10
PA13
PA14
GND3
GND4
GND5
GND2
GND1
PA17
PA15
PA16
PA18
PA19
PA20
PA22
PA21
PA23
PA24
PA25
PA27
PA26
PA28
PA29
PA30
PB24
PB18
PB22
PA04
PA03
AT32UC3A
U2415M3
B8
L5
M12
E11
H5
E5
E2
B5
A1
L8
H12
H11
H8
H2
E8
10K
R2492M3
TEST_GPIO1
TEST_GPIO2
100K
R2404M3
1000PF
100K
4.7UF
GPS_BT_3.3V
100K
R2496M3
R2495M3
C2417M3
C2472M3
JTAG
AVR_TDI
AVR_TMS
AVR_TCK
AVR_TDO
OUT
IN
IN
IN
TP2436M3
TP2437M3
BT_AVR_VBUS
1
1
IN
0
R1319M3
BT_HOST_WAKEUP_3.3V
ACC_SPKR_UNMUTE_3.3
RAS
SDWE
SDCKE
CAS
SDCK
BT_PTT_3.3V
SDA10
BT_SHUTDOWN_3.3V
BT_WAKEUP_3.3V
BOARD_REV1
BOARD_REV2
BOARD_REV3
BOARD_REV0
TC1_OCA
BOARD_REV4
1K
10K
1K
1K
1K
DNP
1K
R2487M3
R2471M3
R2470M3
R2469M3
R2443M3
R2442M3
100K
GPS_BT_3.3V
R2444M3
AVR_USART2_RX
AVR_USART2_TX
IN
OUT
1K
1K
DNP
100K
DNP
100K
GPS_BT_3.3V GPS_BT_3.3V
R1328M3R1327M3
R1324M3
R1316M3
GPS_BT_3.3V
E12
G1
J1
F5
M8
F10
J9
J11
K12
H9
L10
M11
K9
M10
L9
M9
L6
M5
K5
J5
J4
K1
K2
G2
C4
B7
A7
G12
C9
NC
NC
NC
TP2419M3
12M_CLK_IN
UDQM
DATA02
PD
DATA00
OSC0_OUT
DATA03
DATA05
DATA06
DATA07
DATA09
DATA08
DATA04
DATA01
DATA10
1
SDRAM_CS
1UF
TP2416M3
C2480M3
BT_AVR_RESET_3.3V
1
TP2450M3
TP2453M3
TP2452M3
TP2451M3
1
1
1
1
AT32UC3A
U2415M3
TDO
PX17
PX18
PX19
PX20
PX21
PX22
PX23
PX24
PX27
PX26
PX25
PX28
PX29
PX30
PX31
PX32
PX33
PX34
PX35
PX37
PX36
PX38
PX39
TCK
RESET
TDI
DP
ADVREF
VBUS
DM
PC00
PC01
PC04
PC03
PC02
PC05
PX00
PX01
PX02
PX03
PX04
PX05
PX06
PX08
PX07
PX09
PX10
PX11
PX12
PX13
PX14
PX15
NC
PX16
TMS
BA0
SDA11
SDA05
DATA12
DATA14
DATA15
LDQM
DATA11
SDA01
SDA00
DATA13
SDA03
SDA04
SDA09
SDA07
SDA06
SDA08
SDA02
BA1
H1
H4
H3
G5
G3
G4
F3
C2
E3
E4
D4
D5
C5
E6
C6
D6
D7
E7
C7
C8
D8
C11
E9
E10
F8
D11
D12
27
27
R2485M3
R2484M3
100K
R1333M3
TP1301M3
AVR_EXT_USB
1
10K
R2489M3
S
B1
B0
VCC
GND
A
FSA4157L6X
GPS_BT_3.3V
.1UF
C1316M3
U1334M3
2
1
5
6
43
IO
SB1
B0
VCC
GND
A
.1UF
FSA4157L6X
GPS_BT_3.3V
C1340M3
U1335M3
2
1
5
6
43
IO
BT_AVR_USB_DM
BT_AVR_USB_DP
IO
IO
TP2415M3
TP2414M3
BT_AVR_USB_DM_TP
BT_AVR_USB_DP_TP
1
1
100K
GPS_BT_3.3V
R2416M3
TP2466M3
ATMEL_BOOT
1
.1UF
.1UF
.1UF
.1UF
.1UF
.1UF
.1UF
.1UF
.1UF
.1UF
.1UF
.1UF
.1UF
.1UF
C2467M3
C2466M3
C2464M3
C2463M3
C2462M3
C2461M3
C2460M3
C2459M3
C2458M3
C2456M3
C2455M3
C2453M3
C2452M3
C2450M3

Table of Contents

Other manuals for Motorola APX 3000

Related product manuals