EasyManua.ls Logo

MSA PrimaX - Page 69

MSA PrimaX
74 pages
Print Icon
To Next Page IconTo Next Page
To Next Page IconTo Next Page
To Previous Page IconTo Previous Page
To Previous Page IconTo Previous Page
Loading...
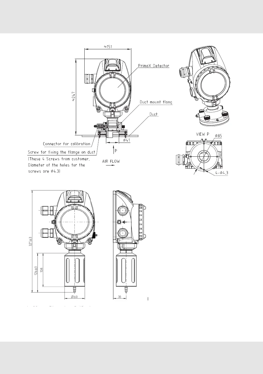
Figure 29 Duct mounting
Figure 30 Dimensions CalGard
69 PrimaX GB
10 Appendix

Other manuals for MSA PrimaX

Related product manuals