EasyManua.ls Logo

MZ electronic EV-030 - Page 78

MZ electronic EV-030
Print Icon
To Next Page IconTo Next Page
To Next Page IconTo Next Page
To Previous Page IconTo Previous Page
To Previous Page IconTo Previous Page
Loading...
EV-030 Rev. 07 – 2008
Deutsch
78
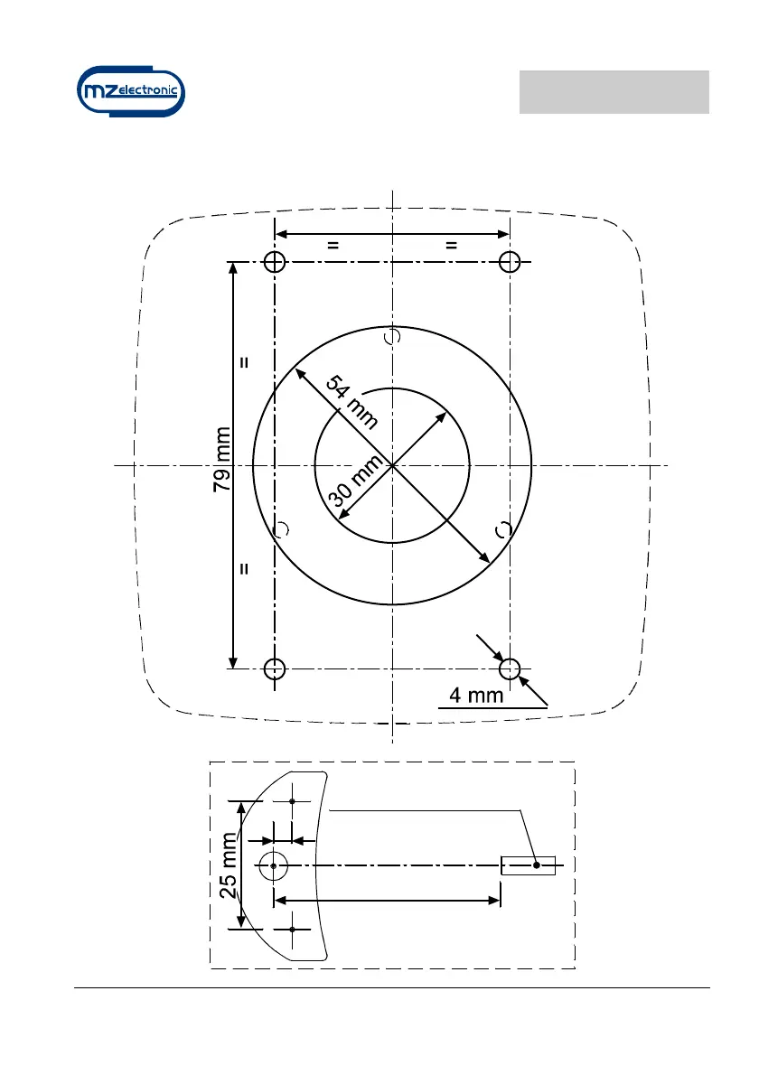
Bohr Meterzähler und Sensor
min.44 mm(1”3/4)
4
magnetic sensor
sensore magnetico
45,6 mm

Table of Contents

Related product manuals