EasyManua.ls Logo

NAD C 326BEE - Page 17

NAD C 326BEE
39 pages
Print Icon
To Next Page IconTo Next Page
To Next Page IconTo Next Page
To Previous Page IconTo Previous Page
To Previous Page IconTo Previous Page
Loading...
17
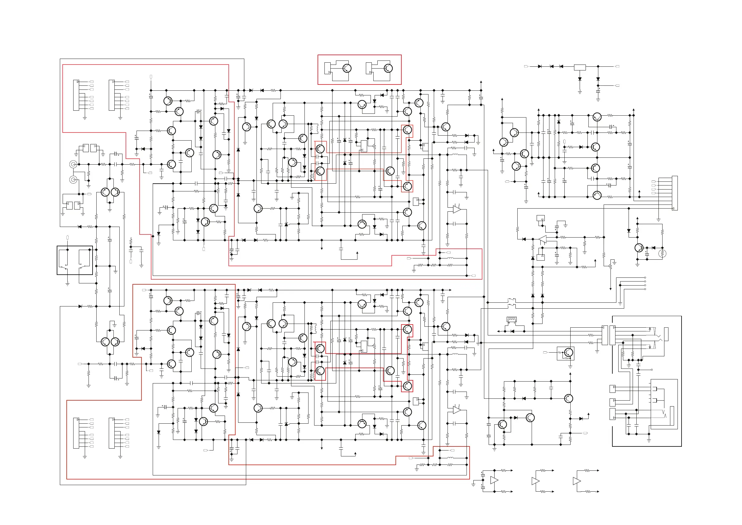
MAIN BOARD (2)
OFF
ON
POWER AMP L/CH
MAIN-IN
ISC
Low voltage regulator
POWER AMP R/CH
HS
hs
HS
HS
HS
hs
hs
HS
HS
HS
HS
hs
hs
hs
hs
70 deg: 330 ohm max.
80 deg: 470 ohm min.
L
R
HEADPHONE BOARD
SPEAKER OUT
R-CH OUT
R-CH GND
L-CH GND
L-CH OUT
C145
0.1U
R181
470
Q123
2SA1015
Q124
2SC1815
R180
220K
R182
100
R186
100
C144
10U16V
R187
100
D114
IN4148
Q132
MMBT5551
Q131
KSA1220
D110
18V
R183
33K
R184
1K1
R185
1K1
C146
10U
25V
R385
1K1
R384
1K1
C346
10U
25V
R383
33K
D310
18V
R382
100
Q324
2SA1015
Q323
2SC1815
R386
100
R387
100
C344
10U16V
R380
220K
R381
470
C345
0.1U
R188
22K
R193
560
R192
22K
C151
39P
R205
82
5%
MF
R200
120
R202
330
C153 330P
R198
22K
D115 IN4148
R203
100K
MF
C152
220U
63V
Q141
NZT560
Q140
NZT660
R218
3.3
0.5W
R226
3.3
0.5W
D122
5V1
D123
5V1
R234
10 FS
12
3
VR103
200
R232
511
R233
820
R231
10 FS
C169
560P
R237
56
R239
0.05
5W
R240
0.05
5W
Q147
NZT560
Q145
NJW0302G
E
C
B
Q151
NJW0281G
R243
56
C168
560P
C171
N.I.
L101
0.5uH
R250
10/1W
FS
R255
3.3/1W
R254
680K
C172
0.1u 100V
C174
0.22u
63V
C173
0.01u
100V
R256
680K
C170
1000p
63V
C175
0.22u 63V
R257
1K
C176
N.I.
Q156
MMBT5551
Q155
KSC2690
R267
510
Q153
MMBT5551
Q154
KSC2690
R268
12
C181
0.1U
R269
2K2
R270
5K1
C182
0.1U
C184
47U
25V
R271
2K2
MF
D130
18V
R273
680
R274
680
C186
47U
25V
R275
680
C188
22P
Q122
KSC2690
Q121
MMBT5551
R276
4K7
C194
0.1U
D131
1N4148
R288
33
0.5W
FS
R289
680
C190
220U
35V
R293
680
R292
680
C192
220U
50V
C193
220U
50V
R295
680
R291
33 0.5W FS
C191
220U 35V
R290
680
R294
680
Q119
KSA1220
Q120
MMBT5401
C189
22P
R277
680
C187
10U
25V
R272
2K
MF
C185
47U
25V
C183
0.1U
D330
1N4148
R475
100K
R473
100K
C376
10U
25V
C377
10U
25V
R466
10K
R474
2K2
R479
180K
12
3
VR304
50K
Q357
MMBT5551
D334
1N4148
R480
10K
R481
4.3K
R468
18K
R469
22K
R471
22K
R472
18K
D333
1N4148
D332
1N4148
R492
56K
R470
56K
1
2
3
4
5
J101A
5pin
1
2
3
4
5
J101B
5pin
D335 1N4148
R493
100
2W
R494
100
2W
R483
220 2W
R484
220 2W
1
2
RL301-A
3
4
RL301-B
5
6
RL301-C
R194
1K
Q128
MMBT5087
Q129
MMBT5210
Q127
MMBT5210
Q130
MMBT5087
Q133
MMBT5210
R199
22K
R204
10
R229
2M4
C160
100U
50V
C162
100U
16V
C161
100U
16V
Q148
MMBT5551
R238
22
Q150
KSA1220
Q146
KSC2690
R258
100
L102
N.I.
R260
1
R253
1K8
1%
R477
1K
R467
330K
D331
1N4148
R478
220K
Q134 N.I.
R207
N.I.
D117
N.I.
R208
N.I.
D118
N.I.
D119
N.I.
Q135
N.I.
R209
N.I.
C158
N.I.
U103
N.I.
R212
N.I.
R213
N.I.
R214
N.I.
R215
N.I.
R225
820
Q137
MMBT5210
Q136
MMBT5210
R222
330
R223
330
R221
2K2
R220
4.3K
Q138
MMBT5087
C159
100P
Q125
MMBT5087
Q126
MMBT5087
C149
15P
D124 IN4148
D125
IN4148
D126
IN4148
D127
IN4148
D120
1N4148
D121
1N4148
R224
75
R219
2K2
Q139
MMBT5087
C163
10U
16V
Q149
NZT660
D111
1N4148
R189
22K
R191
22K
C148
47U
35V
D116
10V
R201
27K
R195
1K
R196
1K8
C155
220U
35V
R197
2K2/2W
R263
1K 5%
R262
1K 5%
C177
10U
25V
C178
10U
25V
R464
1K
R465
1K
R462
1K 5%
R463
1K 5%
R241
15
R242
22K
R235
15
R236
22K
R228
270 0.5W
R216
270 0.5W
C157
220U
63V
Q144
KSC2690
Q142
KSA1220
Q152
MMBT5551
R248
36K
D128
1N4148
R247
33K
R261
N.I.
R244
1K
R227
68
0.5W
R217
68 0.5W
C156
47U
25V
C154
N.I.
C147
47U
35V
R190
100
D112
1N4148
D113
1N4148
C150
10U 16V
R211
N.I.
C167
N.I.
C165
200p
C166
N.I.
C164
200p
R251
100
R252
36K
R249 3K6
D129
1N4148
R246
470K
R259
68 1%
R459
68 1%
R446
470K
D329
1N4148
R449
3K6
R452
36K
R451
100
C364
200p
C366
N.I.
C365
200p
C367
N.I.
R411
N.I.
C350
10U 16V
D313
1N4148
D312
1N4148
R390
100
C347
47U
35V
C354 N.I.
C356
47U
25V
R417
68 0.5W
R427
68
0.5W
R444
1K
R447
33K
D328
1N4148
R448
36K
Q352
MMBT5551
Q342
KSA1220
Q344
KSC2690
C357
220U
63V
R416
270 0.5W
R428
270 0.5W
R436
22K
R435
15
R442
22K
R441
15
R397
2K2/2W
C355
220U
35V
R396
1K8
R395
1K
R401 27K
D316
10V
C348
47U
35V
R391
22K
R389
22K
D311
1N4148
Q349
NZT660
C363
10U
16V
Q339
MMBT5087
R419
2K2
R424
75
D321
1N4148
D320
1N4148
D327
IN4148
D326
IN4148
D325
IN4148
D324
IN4148
C349
15P
Q326
MMBT5087
Q325
MMBT5087
C359
100P
Q338
MMBT5087
R420
4.3K
R421
2K2
R423
330
R422
330
Q336
MMBT5210
Q337
MMBT5210
R425
820
R415
N.I.
R414
N.I.
R413
N.I.
R412
N.I.
U303
N.I.
C358
N.I.
R409
N.I.
Q335
N.I.
D319
N.I.
D318
N.I.
R408
N.I.
D317
N.I.
R407
N.I.
Q334 N.I.
R453
1K8
1%
R460
1
L302
N.I.
R458
100
Q346
KSC2690
Q350
KSA1220
R438
22
Q348
MMBT5551
C361
100U
16V
C362
100U
16V
C360
100U
50V
R429
2M4
R404
10
R399
22K
Q333
MMBT5210
Q330
MMBT5087
Q327
MMBT5210
Q329
MMBT5210
Q328
MMBT5087
R394
1K
R457
1K
C375
0.22u
63V
C370
1000p
63V
R456
680K
C373
0.01u
100V
C374
0.22u
63V
C372
0.1u
100V
R454
680K
R455
3.3/1W
R450
10/1W FS
L301
0.5uH
C371
N.I.
C368
560P
R443
56
Q351
NJW0281G
Q345
NJW0302G
Q347
NZT560
R440
0.05
5W
R439
0.05
5W
R437
56
C369
560P
R431
10 FS
R433
820
R432
511
12
3
VR303
200
R434
10 FS
D323
5V1
D322
5V1
R426
3.3
0.5W
R418
3.3 0.5W
Q340
NZT660
Q341
NZT560
C352
220U
63V
R403
100K
MF
D315
IN4148
R398
22K
C353
330P
R402
330
R400
120
R405
82
5%
MF
C351
39P
R392
22K
R393
560
R388
22K
Q331
KSA1220
Q332
MMBT5551
D314
IN4148
R245
8M2
R445
8M2
1
2
3
4
5
7
8
M102
PHONE SOCKET
Q353
DTC123EKA
R485
47k
D304
GS1G
R486
47k
C381
0.1u
Q354
MMBT5401
R476
4K7
1
3
5
SW101-A
2
4
6
SW101-B
C180
10U
50V
C179
10U
50V
Q356
MMBT5551
R487
33k
R488
47k
D305
1N4148
Q355
MMBT5551
R489
33k
D303
1N4148
R490
3.3k
R491
33k
C380
1u
16V
R482
TO = 80 degree
1
2
3
5
6
U102-A
TL071
7
4
U102-B
TL071
1
2
3
5
6
U302-A
TL071
7
4
U302-B
TL071
1
2
3
5
6
U301-A
TL071
7
4
U301-B
TL071
D382
1N4148
1
2
3
M109-A
TP10
TP11
D133
1N4148
D132
GS1G
IN
GND
OUT
U104
7805
D135
5V1
3W
D134
5V1
3W
C197
100uF
16V
1
2
3
4
5
6
7
8
9
J601B
TO PSU J601A
1
2
J504B
TO KEYBOARD J504A
C501
100p
C502
100p
1
2
3
J505A
TO MAIN J505B
1
4
5
A
C
E
B
D
F
M501
MP JACK
J203
J204
J104
J103
C378
47u/25V
C379
47u/25V
1
2
TP1
2pin
1
2
TP2
2pin
1
2
TP3
2pin
1
2
TP4
2pin
R297
100
R299
100
C200
1n
C201
1n
R497
100
R499
100
C400
1n
C401
1n
C203
220P
C403
220P
D137
N.I.
D138
N.I.
R702
N.I.
D338
N.I.
D337
N.I.
R802
N.I.
C404
150p
C204
150p
C405
100P
C205
100P
C206
22n
R703
22
R803
22
C406
22n
C207
0.1u
63V
C208
0.1u
63V
C407
0.1u
63V
C408
0.1u
63V
C209
0.1u
250V
C409
0.1u
250V
R804 1K
R704 1K
1
2
3
4
5
6
7
8
CZ11A
8pin
1
2
3
4
5
6
7
8
CZ21A
8pin
1
2
3
4
5
6
7
8
CZ11B
8pin
1
2
3
4
5
6
7
8
CZ21B
8pin
C210
N.I.
C410
N.I.
R706
330
R806
330
R711
1K
R712
22K
R811
1K
R812
22K
R178
30K
C214
39P
1
2
3
J102A
1
2
3
J302A
Q160
KSC2690
1
2
3
J102B
1
2
3
J302B
Q360
KSC2690
C217
0.1u
C417
0.1u
C219
4700p
C419
4700p
C220
82n
C420
82n
R495
47k
R717
470
R817
470
L103
3.3uH
L104
3.3uH
L303
3.3uH
L304
3.3uH
C218
100P
C418
100P
R718
22K
R818
22K
C525
0.1u
C526
0.1u
J510
TO CHASSIS
D139
3.3V
1W
D141
1N4007
R206
100/1W
FS
R406
100/1W
FS
D341
1N4007
D339
3.3V
1W
D140
3.3V 1W
D142
1N4007
R210
100/1W
FS
R410
100/1W FS
D342
1N4007
D340
3.3V 1W
1
2
J508A
TO MAIN J508B
C421
N.I.
1
2
J105A
1
2
J105B
1
2
J305A
1
2
J305B
C222
470P
D136
1N4007
R266
100
3W
+46V
+37V
+12V
12V_TRIG
+18V
STANDBY
-18V
-37V
+12V
SOFT_CLIPPING
+37V
+12V
V-OUT-L
+18V
-18V
+18V
-18V
-18V
+18V
-46V
VFB-L-CH
VFB-R-CH
V-OUT-R
VI-R
-46V
+46V
RELAY
STANDBY
+5V
+22V
-18V
+46V
+46V
+5V
PROTECTION
MAIN-IN-R
MAIN-IN-R
DGND
DGND
DGND
DGND
DGND
DGND
DGND
DGND
DGND
DGND
DGND
DGND
DGND
DGND
DGND
DGND
+5V
+37V
+5VX
+5VX
MP-L
MP-R
MP-L
MP-R
MP_DET
+46V
+46V
CZ11-1
CZ11-2
VFB-L-CH
CZ11-5
CZ11-6
CZ11-7
CZ11-8
CZ11-2
CZ11-1
VFB-L-CH
CZ11-6
CZ11-7
CZ11-8
CZ11-5
CZ21-8
CZ21-7
CZ21-6
CZ21-5
VFB-R-CH
CZ21-2
CZ21-1
CZ21-1
CZ21-2
CZ21-5
CZ21-6
CZ21-7
CZ21-8
CZ11-8
CZ11-7
CZ11-6
CZ11-5
VFB-L-CH
CZ11-2
CZ11-1
CZ21-1
CZ21-2
VFB-R-CH
CZ21-5
CZ21-6
CZ21-7
CZ21-8
VFB-R-CH
HP_SW1
HP_SW2
ISC_TRIG
I-V
PPCB MOUNTED VERTICAL
90SC326PREDVR-9021000
MOUNTED ON HEATSINK
PCB MOUNTED VERTICAL
90SC326PREDVR-9021000

Other manuals for NAD C 326BEE

Related product manuals