EasyManua.ls Logo

NAD C 326BEE - IC BLOCK DIAGRAM

NAD C 326BEE
39 pages
Print Icon
To Next Page IconTo Next Page
To Next Page IconTo Next Page
To Previous Page IconTo Previous Page
To Previous Page IconTo Previous Page
Loading...
32
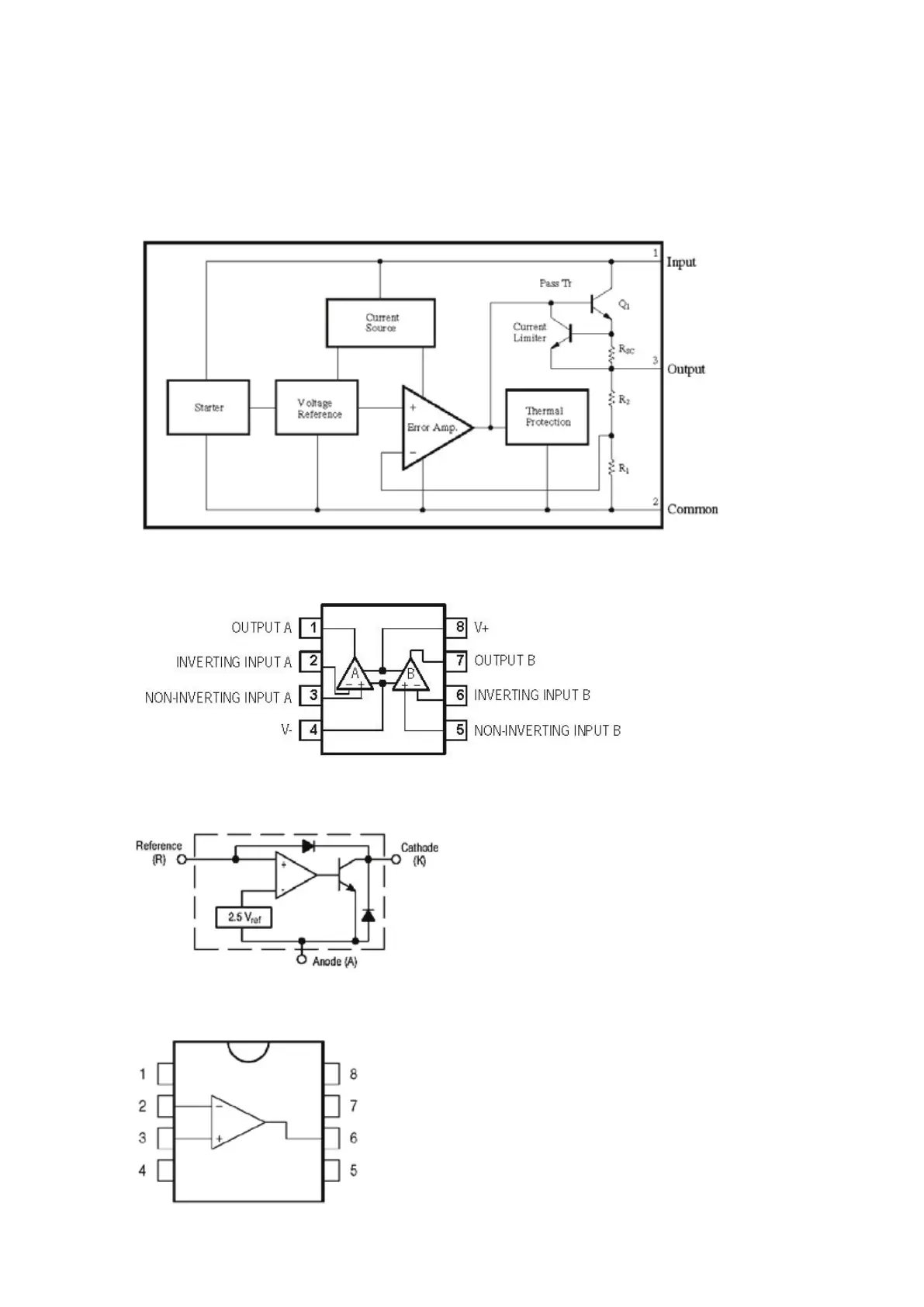
IC BLOCK DIAGRAM
Mainboard
NJM7805FA (U104)
NJM4560M (U101)
TL431 (U103, U303)
TL071CDR (U102, U301, U302)

Other manuals for NAD C 326BEE

Related product manuals