EasyManua.ls Logo

NAD C 326BEE - SCHEMATIC DIAGRAM

NAD C 326BEE
39 pages
Print Icon
To Next Page IconTo Next Page
To Next Page IconTo Next Page
To Previous Page IconTo Previous Page
To Previous Page IconTo Previous Page
Loading...
16
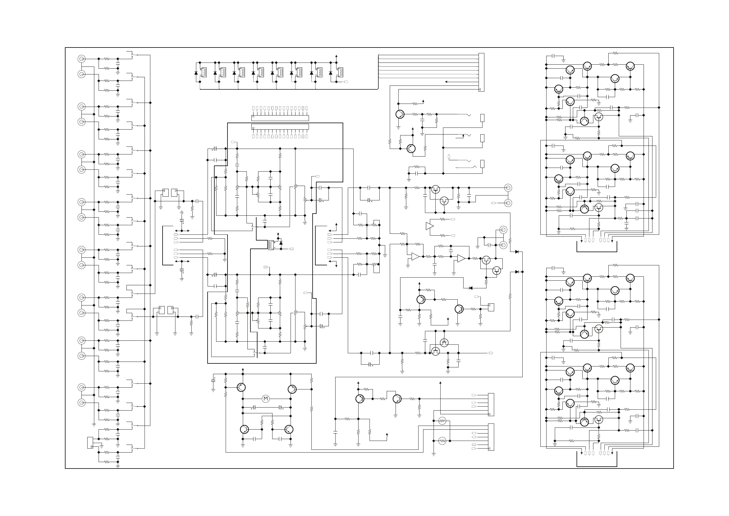
SCHEMATIC DIAGRAM
MAIN BOARD (1)
ipod-L
ipod-R
DISC
CD
VIDEO
AUX
TUNER
TAPE
TAPE OUT
MP
TONE DEFEAT SW
OFF
ON
ON
OFFTONE DEFEAT SW
IN MODULE
OUT MODULE
TONE CONTROL L/CH
L PRE-OUT
R PRE-OUT
IR IN
IR OUT
TONE CONTROL R/CH
80 degree: 330 ohm max.
90 degree: 470 ohm min.
IN MODULE
OUT MODULE
L
R
R
L
R
L
R
L
R
L
R
L
R
L
R
L
SUBWOOFER OUT
VOLUME BOARD
R101
470
R102
1M
R104
1M
R103
470
R107
470
R108
1M
R106
1M
R105
470
R116
1M
R115
470
R111
470
R112
1M
R114
1M
R113
470
R109
470
R110
1M
R310
1M
R309
470
R313
470
R314
1M
R312
1M
R311
470
R315
470
R316
1M
R305
470
R306
1M
R308
1M
R307
470
R303
470
R304
1M
R302
1M
R301
470
1
2
3
J505B
TO KEYBOARD J505A
R117
470
R118
1M
R318
470
R317
1M
C101
100P
C102
100P
C104
100P
C103
100P
C107
100P
C108
100P
C106
100P
C105
100P
C109
100P
C309
100P
C305
100P
C306
100P
C308
100P
C307
100P
C303
100P
C304
100P
C302
100P
C301
100P
R119
120K
MF
R319
120K
MF
C111
47U
25V
C311
47U
25V
R120
560
1%
R320
560
1%
D101
1N4148
D102
1N4148
D103
1N4148
D104
1N4148
D105
1N4148
D106
1N4148
D107
1N4148
D108
1N4148
C112
47U 25V
C113
0.1U
R121
3K3
MF
R123
750
MF
R122
N.I
R124
390
MF
C114
22N
63V
5%
R126
51K
C115
0.1U
63V
5%
R125
180
MF
R127
N.I
12
3
VR101
30K
C116
0.22U
63V
5%
C117
1U
63V
5%
R128
1K5
MF
R129
390
MF
C118
0.1U
C119
1U
16V
C319
1U
16V
C318
0.1U
R329
390
MF
R328
1K5
MF
C317
1U
63V
5%
C316
0.22U
63V
5%
1
2
3
VR301
30K
R327
N.I
R325
180
MF
C315
0.1U
63V
5%
R326
51K
C314
22N
63V
5%
R324
390
MF
R322
N.I
R323
750
MF
R321
3K3
MF
C313
0.1U
C312
47U 25V
Q103
MMBT5551
E
C
B
Q102
MMBT5401
R170
10K
R171
10K
R169
10K
C138
0.01u
R168
330
5%
R173
4.7K
R172
1K
R174
33
C139
0.1U
R175
47
C121
47U
25V
C120
0.1U
C122
N.I
R130
20K
R131
560
1%
R331
560
1%
R330
20K
C322
N.I
C123
N.I
C323
N.I
R134
68
12
3
VR102
100
R132
1.8
R332
1.8
12
3
VR302
100
C320
0.1U
C321
47U 25V
R133
4.7K
C124
N.I.
Q101
MMBF5434
R136
10M
R135
100K
C125
100P
C325
100P
R335
100K
R336
10M
Q301
MMBF5434
C324
N.I.
R333
4.7K
R334
68
E
C
B
Q322
3906
Q321
3904
C343
10U
50V
R368
10K
R369
1K
C342
4U7
25V
C341
4U7 25V
R370
1K
R371
1K
Q319
3904
E
C
B
Q320
3906
C340
220P
C339
220P
R372
10K
R373
1K
E
C
B
Q318
MMBT5401
R374
100K
C338
22n
50V
R375
330K
R376
390K
R377
100K
R378
220K
Q311
2SK932
R365
10
Q313
MMBT5087
Q317
MMBT5401
Q314
MMBT5551
R366
10
R367
10
R364
4K7
R361
1K
C334
33P
R356
1K5
C333
220P
C335
0.1U
20%
R355
220
C337
0.1U
4
5
6
RT102-B
10KA
BASS POT
1
2
3
RT102-A
10KA
BASS POT
4
5
6
RT101-B
10KA
TREBLE POT
1
2
3
RT101-A
10KA
TREBLE POT
4
5
6
RT103-B
20KMN
BALANCE POT
1
2
3
RT103-A
20KMN
BALANCE POT
4
6
8
RL101-A
13
11
9
RL101-B
1
16
RL101-C
4
6
8
RL102-A
13
11
9
RL102-B
1
16
RL102-C
4
6
8
RL103-A
13
11
9
RL103-B
1
16
RL103-C
4
6
8
RL104-A
13
11
9
RL104-B
1
16
RL104-C
4
6
8
RL105-A
13
11
9
RL105-B
1
16
RL105-C
4
6
8
RL106-A
13
11
9
RL106-B
1
16
RL106-C
4
6
8
RL107-A
13
11
9
RL107-B
1
16
RL107-C
4
6
8
RL108-A
13
11
9
RL108-B
1
16
RL108-C
Q316
MMBT5551
R358
430 1%
R363
1K
R362
1K
E
C
B
Q315
MMBT5551
Q312
MMBT5087
R359
470
R360
470
C336
1N
C136
1N
R160
470
R159
470
Q112
MMBT5087
E
C
B
Q115
MMBT5551
R162
1K
R163
1K
R158
430 1%
Q116
MMBT5551
C137
0.1U
R155
220
C135
0.1U
20%
C133
220P
R156
1K5
C134
33P
R161
1K
R164
4K7
R167
10
R166 10
Q114
MMBT5551
Q117
MMBT5401
Q113
MMBT5087
R165
10
Q111
2SK932
3
2
4
RL109-A
12VDC
8
9
7
RL109-B
12VDC
1
10
RL109-C
12VDC
R137
10K
R337
10K
R140
10K
3
+
2
-
1
U101-A
NJM4560
5
+
6
-
7
U101-B
NJM4560
8
4
U101-C
NJM4560
R139
11K
C326
0.068u
C126
0.33u
R339
100
Q302
N.I.
R341
10M
C127
100p
R138
100
R338
100
R340
11K
D109
1N4148
Location 58
90 degree
1
2
3
4
R296-A
VOLUME POT
20KB
5
6
7
8
R296-B
VOLUME POT
20KB
910
R296-C
VOLUME POT
20KB
Q104
2SK932
R152
10
Q106
MMBT5087
Q110
MMBT5401
Q107
MMBT5551
R153
10
R154
10
R151
4K7
R148
1K
C129
33P
R143 1K5
C128
220P
C130
0.1U
R142
220
C132
0.1U
Q109
MMBT5551
R145
430 1%
R150
1K
R149
1K
E
C
B
Q108
MMBT5551
Q105
MMBT5087
R146
470
R147
470
C131
1N
C331
1N
R347
470
R346
470
Q305
MMBT5087
E
C
B
Q308
MMBT5551
R349
1K
R350
1K
R345
430 1%
Q309
MMBT5551
C3320.1U
R342
220
C330
0.1U
20%
C328
220P
R343
1K5
C329
33P
R348
1K
R351
4K7
R354
10
R353
10
Q307
MMBT5551
Q310
MMBT5401
Q306
MMBT5087
R352
10
Q304
2SK932
R141
11K
21
25
M103-A
1
5
4
M103-B
C195
22p
R298
68
C395
22p
R498
68
C196
22p
R300
68
C396
22p
R500
68
1
2
3
M105-A
4
5
6
M105-B
7
8
9
M105-C
1
2
3
M106-A
4
5
6
M106-B
7
8
9
M106-C
1
2
3
M107-A
4
5
6
M107-B
4
5
6
M109-B
1
2
3
M108
1
2
3
M104
+12V TRIGGER
C398
33p
C198
33p
C399
33p
C199
33p
1
2
3
4
5
6
J507B
TO KEYBOARD J507A
1
2
3
4
5
6
7
J506B
TO KEYBOARD J506A
1
2
3
4
5
6
7
8
9
10
11
12
13
14
15
J201B
TO VOLUME BOARD J201A
1
2
3
4
5
6
7
8
9
10
11
12
13
14
15
J201A
TO MAIN BOARD J201B
R709
2.2M
R809
2.2M
R710
2.2M
R810
2.2M
C110
0.1u 63V
C310
0.1u 63V
R176
4.7K
C211
47P
C212
10P
R177
4.7K
C213
470P
Q158
MMBT5551
R714
82K
R713
100K
C215
1u
Q358
MMBT5551
R813
100K
R814
82K
C415
1u
R715
100K
Q159
MMBT5551
R716
82K
C216
1u
R815
100K
Q359
MMBT5551
R816
82K
C416
1u
Q101A
N.I.
Q301A
N.I.
Q302A
2SK364
C221
47P
R820
220K
R720
100K
R722
390K
R819
330K
C327
22n
50V
R719
100K
E
C
B
Q161
MMBT5401
R821
10K
Q361
MMBT5551
R721
4K7
1
2
J508B
TO HP BOARD J508A
Q162
MMBT5551
R723
4K7
R823
10K
1
2
3
4
5
6
7
8
9
10
J501B
TO KEYBOARD J501A
R379
AH - 90 deg thermal SW
CE - N.I.
1
2
J106A
1
2
J106B
1
2
J306A
1
2
J306B
D307
1N4148
D306
1N4148
D308
1N4148
+18V
-18V
+12V
RELAY-CONTROL
+12V
MPF
+5V
12V_TRIG
+5V
+18V
-18V
+5V
-46V
+18V
MPF
+18V
-18V
VI
AU
TA
TU
DI
C
MPR
MPR
+12V
+5V
PROTECTION
STANDBY
SOFT_CLIPPING
DI
C
VI
AU
TU
TA
TONE_DEFEAT
RELAY
+22V
TONE_DEFEAT
ROUT-I
RIN-I
RIN+I
LIN+I
LIN-I
LOUT-I
+18V
-18V
+18V
LOUT-O
LIN-O
LIN+O
RIN+O
RIN-O
ROUT-O
-18V
LOUT-O
LIN-O
LIN+O
RIN+O
RIN-O
ROUT-O
-18V
+18V
LOUT-I
LIN-I
LIN+I
RIN+I
RIN-I
ROUT-I
-18V
+18V
R_PRE-OUT
R_PRE-OUT
DGND
DGND
DGND
DGND
DGND
DGND
DGND DGND
DGND
MUTE
DGND
+5V
VOL-
VOL+
THRM_SEN
+12V
TONE_DEFEAT
J201-4
J201-6
J201-6
J201-8
J201-8
J201-10
J201-10
VOL+
DGND
VOL-
+5V
J201-4
J201-4
+12V
TONE_DEFEAT
J201-6
J201-8
J201-10
VOL+
DGND
VOL-
+5V
GND
GND
GND
GND
GND
GND
GND
GND
GND
GND
+18V
-46V
DGNDDGND DGND DGND
MUTE
DGNDDGND
IR_OUT
IR_IN
Exploded View -B
Note: SMD parts
Note: SMD parts
Bottom Side PCB
Bottom Side PCB
Bottom Side PCB
Bottom Side PCB

Other manuals for NAD C 326BEE

Related product manuals