EasyManua.ls Logo

NAD C 326BEE - Page 19

NAD C 326BEE
39 pages
Print Icon
To Next Page IconTo Next Page
To Next Page IconTo Next Page
To Previous Page IconTo Previous Page
To Previous Page IconTo Previous Page
Loading...
19
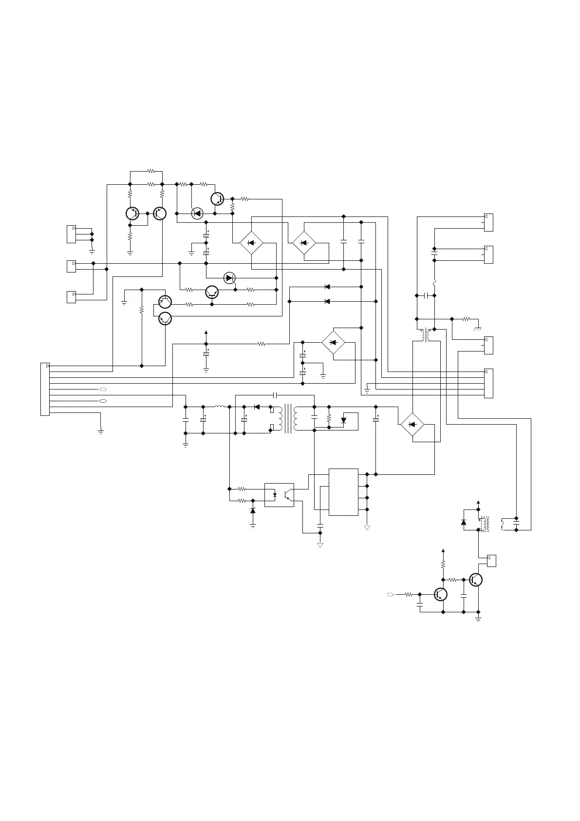
PSU BOARD
To Transformer
To A C POWER CORD
To POWER SWITCH
T1.6AL/250V For 230V Mains Version
T2.5AL/250V For 120V Mains Version
To Transformer Thermostat
To Transformer
120V ONLY
C616
4.7n
400V
1
2
3
J605
1
2
3
J606
F601
C617
0.22u
275V
C618
4.7n
400V
R623
4K7
C619
100p
C620
100p
Q608
MMBT5551
R624
2K
R625
2K
Q609
MMBT5551
D615
GS1G
RL601-B
10A
5VDC
RL601-A
10A
5VDC
1
2
3
J608
-+
AC
AC
D606
DB105
600V 1A
C612
10uF
400V
C615
0.1u
1
EN/UV
2
BP/M
4
D
5
S5
6
S6
7
S7
8
S8
U601
TNY274-280
D607
FR107
R615
100K
1W
C611
10nF
1kV
1
5
6
7
9
10
T601
XFER-EE16
C610
2.2nF
250V Y1
D608
SR540
C609
330uF
10V
L602
10uH
C608
330uF
10V
C607
0.1u
R616
100
R617
220
D609
4V7
1/2W
1
AN
2
CA
3
EM
4
C
U602
PC81713NSZ0F
1
2
3
4
5
J609
C606
2200uF
50V
C605
3300uF
50V
-+
AC
AC
D605
DB104
400V 1A
C604
10nF
250V
C603
10nF
250V
R613
4K7
R608
22K
Q605
MMBT5551
Q604
MMBT5401
R611
22K
R609
100
Q606
MMBT5551
R612
1K
R610
1K
D602
TYN612
600V 12A
C602
15000uF
63V
C601
15000uF
63V
1
2
J602A
-+
AC
AC
D604
KBU8D
200V 8A
-+
AC
AC
D603
KBU8D
200V 8A
R607
1K
Q603
MMBT5401
D601
TYN612
600V 12A
R606
100
R605
1K
R602
820K
Q602
MMBT5401
Q601
MMBT5401
R604
150
R603
0.05
5W
R601
150
1
2
J604
L601
1
2
J603A
D623
GS1G
D624
GS1G
C621
4.7U
50V
R628
1k
1W
1
2
3
4
5
6
7
8
9
J601A
TO MAIN J601B
R626
0.05
5W
R627
3.9M
1/2W
1
2
3
J604A
28.5V_2
28.5V_1
36.4V_2
36.4V_1
+46V
-46V
STANDBY
+5V
+5V
PGND
PGND
STANDBY
-46V
+46V
DGND
DGND
DGND
DGND
+22V
DGND
+22V
+5VX
+5V
ISC_TRIG
I-V
+37V
-37V
STANDBY
+5V

Other manuals for NAD C 326BEE

Related product manuals