EasyManua.ls Logo

NARDA PMM 7010/00 - Current Probe

NARDA PMM 7010/00
76 pages
Print Icon
To Next Page IconTo Next Page
To Next Page IconTo Next Page
To Previous Page IconTo Previous Page
To Previous Page IconTo Previous Page
Loading...
Applications 4-3
4.1.2.2 Current Probe
Current Probes may be Clamp-on Probes or Fixed-ring Probes.
Current Probes are used to measure differential or common mode RFI
currents. In some cases it may be important to make a distinction between
the two kinds of current flowing in a system.
RFI current measurements with Current Probes may be required, for
example, when measuring EMI from shielded lines or from complex wiring
systems, when finding interference sources among other sources in a
system, when performing compliance to some Standards, etc.
4.1.2.3 Voltage Probe
Voltage Probes include Active Probes and Passive Probes.
Active Probe has a very high input impedance Zin > 100 KΩ // < 10 pF.
Passive Probe has a standard impedance Zin = 1,5 KΩ // < 10 pF.
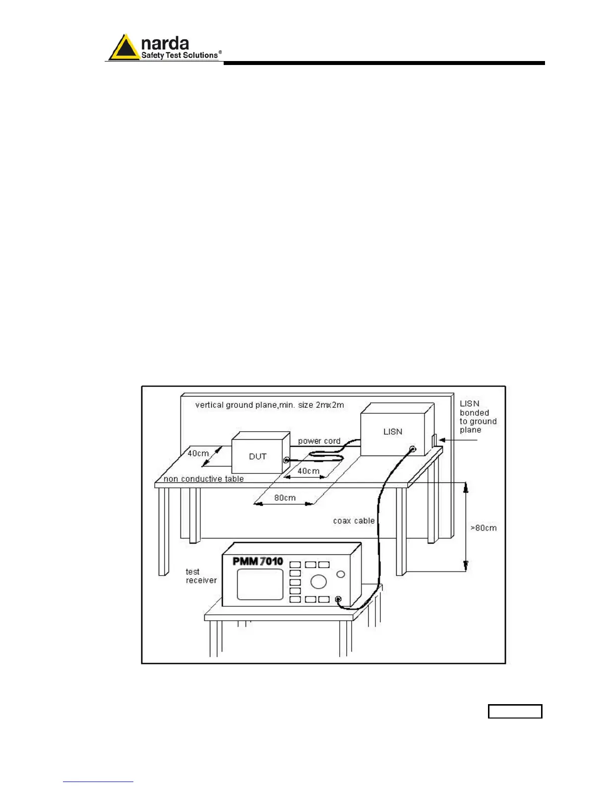
Voltage Probe is used for measuring the unsymmetrical RFI voltage when
it is not possible to carry out measurement by interconnecting an Artificial
V-type Network. Such situation may occur, for example, when measuring
on lines on which only small loads are permissible (control and signal
lines), when measuring on a EUT (Equipment Under Test) which would
not operate correctly using V-type LISN or a DUT (Device Under Test)
requiring very high power supply current for which no V-type LISN is
available.
For diagnostic or design purposes on high impedance circuits, Voltage
Probe may be used to determine, for example, noisy components or
conductors that cause interference on CMOS PC boards.
Some Regulations give statements when Voltage Probe are to be used
and specify relevant setup and RFI voltage limits.
Fig. 4-2 Example of Test Setup for RFI Voltage Measurement

Related product manuals