EasyManua.ls Logo

National Instruments DAQ Series - Differential Connections for Floating Signal Sources

National Instruments DAQ Series
69 pages
Print Icon
To Next Page IconTo Next Page
To Next Page IconTo Next Page
To Previous Page IconTo Previous Page
To Previous Page IconTo Previous Page
Loading...
Chapter 3 Connecting Signals
© National Instruments Corporation 3-11 DAQCard-700 User Manual
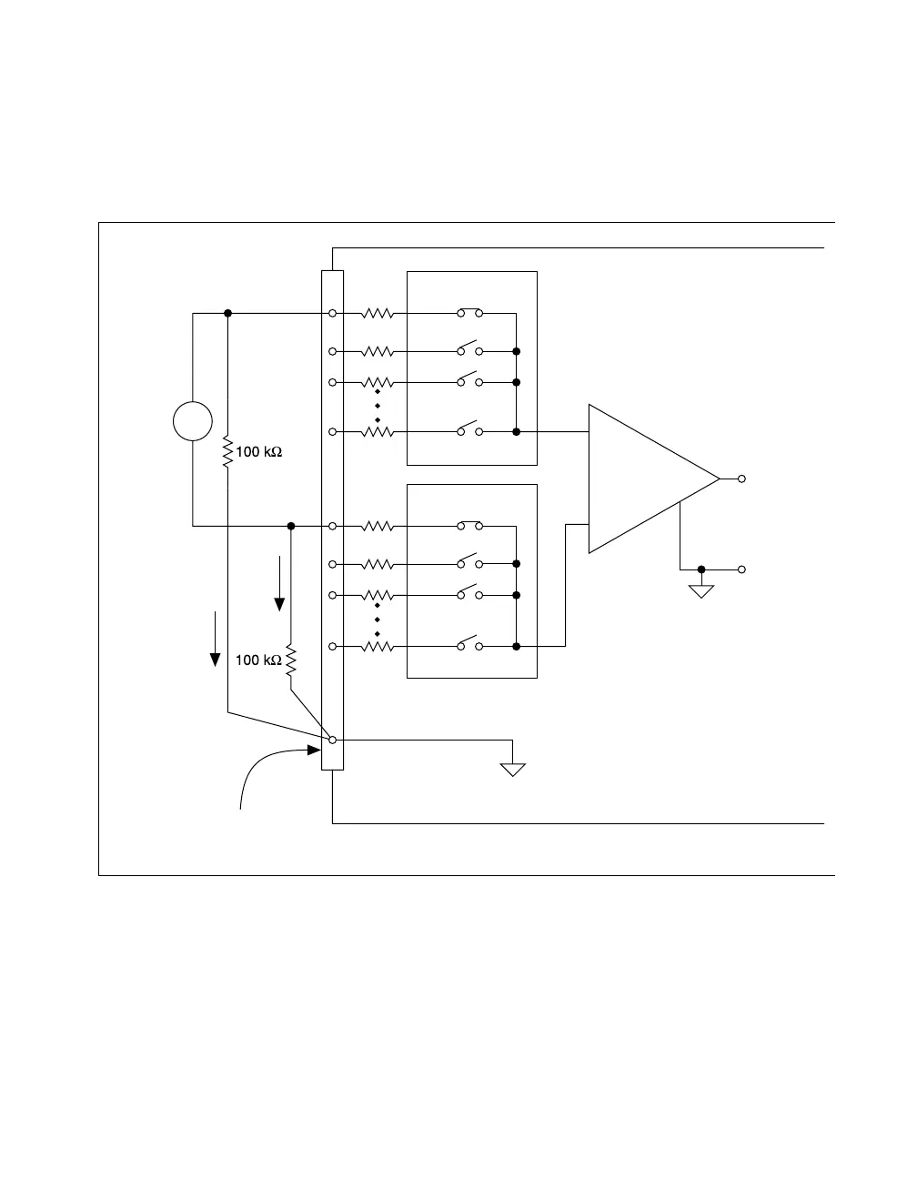
Differential Connections for Floating Signal Sources
Figure 3-5 shows how to connect a floating signal source to a
DAQCard-700 configured for DIFF input mode. Configuration
instructions are included in the Input Configurations section.
Figure 3-5.
Differential Input Connections for Floating Sources
The 100 k resistors shown in Figure 3-5 create a return path to ground for
the bias currents of the instrumentation amplifier. If a return path is not
provided, the instrumentation amplifier bias currents cause stray
capacitances, resulting in uncontrollable drift and possible saturation in
the amplifier. Typically, values from 10 kto 100 k are used.
DAQCard-700 Device in DIFF Configuration
Floating
Signal
Source
Bias
Current
Return
Paths
V
s
I/O Connector
17
18
1, 2
Measured
Voltage
V
ACH<0..7>
ACH<8..15>
Input Multiplexers
AIGND
Instrumentation
Amplifier

Related product manuals