EasyManua.ls Logo

NEC MultiSync FP1350 - Video Circuit; Selection of BNC;D-SUB Input

NEC MultiSync FP1350
240 pages
Print Icon
To Next Page IconTo Next Page
To Next Page IconTo Next Page
To Previous Page IconTo Previous Page
To Previous Page IconTo Previous Page
Loading...
8-3
1. VIDEO CIRCUIT
1) Selection of BNC/D-SUB Input
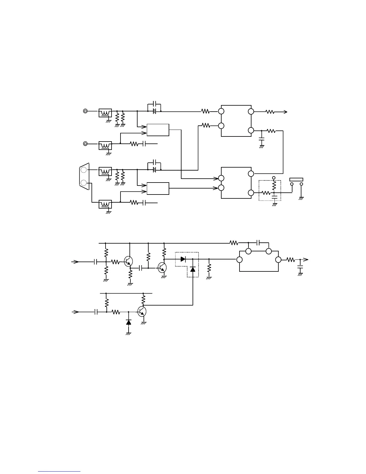
The input selection circuit selects the BNC input or D-SUB input according to the voltage of IC731 pin19 (0V
or 5V). IC731 pin19 voltage changes whenever SW108(momentary switch) is pressed.
CPU detects BNC input or D-SUB input by input signal of Sync On Green and H/C sync. JC-1946UMW’s
user can know by OSM information whether input is BNC or D-SUB. Sync sensor outputs high level when
fH is 1kHz or more, and low level when fH is less than 1kHz.
CPU detects BNC/D-SUB inputs and memories CONTRAST, SHARPNESS and EDGELOCK condition at
each input.
(Fig 1.1.1) Input Selection Circuit (Green channel)
(Fig 1.1.2) Sync Sensor (D-SUB part)
IC731
M52755SP
WIDE BAND
ANALOG
SWITCH
4
C702G
C701G
G
C705R709
R701G
LC763
LC761G
BNC
R701G
13
19
30
+5V
H/C
SYNC
SENSOR
2
18
R73WG
C704G
C703G
G
C707R70E
R703G
LC765
LC762G
D-SUB
R704G
H/C
SYNC
SENSOR
R736G
R73A
SW108
D/BNC
To
Amplification
Section
MRC802
C73E
R73XG
IC801
CPU
1
2
27
7
C7G3
R7G2
MD7GG
R7GY
R7GP
To
CPU
R7G4
R7GX
Q7G4
R7GTC7GH
C7G6
R7G7
Q7G5
C7GG
R7GW
R7GR
R7G8
+5V
+5V
R7G6
R7G9
Q7G6
C7GJ
D7GF
IC7G1
HD74HC123AFP
MONOSTABLE
MULTIVIBRATOR
G
H/C
2
13
15
14

Table of Contents

Related product manuals