EasyManua.ls Logo

NEC MultiSync FP1350 - Blanking Circuit; Spot Killer Circuit; Auto Adjust Blanking Circuit

NEC MultiSync FP1350
240 pages
Print Icon
To Next Page IconTo Next Page
To Next Page IconTo Next Page
To Previous Page IconTo Previous Page
To Previous Page IconTo Previous Page
Loading...
8-18
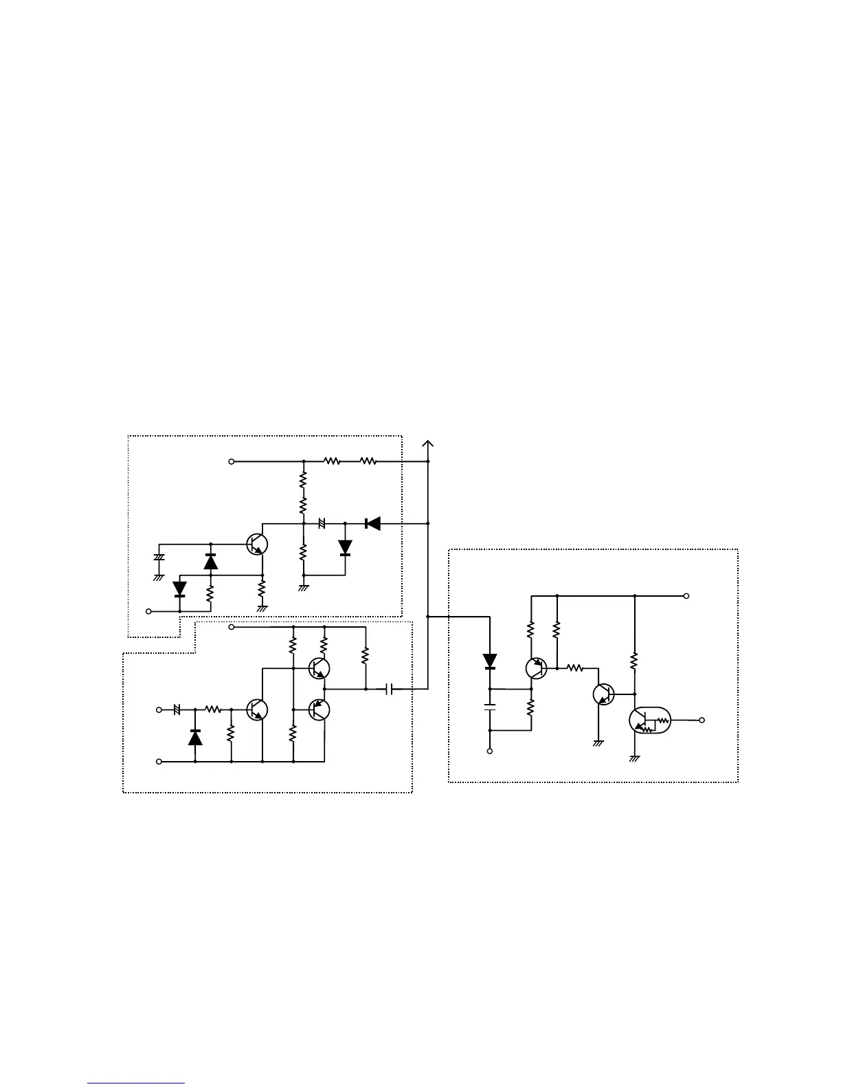
4. BLANKING CIRCUIT
The blanking circuit consists of Q7E1 through Q7E3 which amplify the blanking pulse, the spot killer circuit
and the auto adjust blanking circuit.
1) Blanking Circuit
The IC501(DSP) on OSC PWB generates the blanking pulse which are mixed the horizontal blanking pulse
and the vertical blanking pulse and outputs the blanking pulse(VH_BLK) from pin40. The blanking pulse is
amplified by Q7E1 through Q7E3 and are applied to G1. Therefore during the horizontal and vertical
retrace periods, the voltage of G1 becomes low and then the raster is disappeared.
2) Spot Killer Circuit
The spot killer circuit operates when the display is turned off ,the suspend and the off modes. When the
power is on, Q781 is turned off by 8.8V of C781 and the collector voltage of Q781 becomes 137V. When
the display is turn off, the Q781 is activated by the voltage of 8.8V power supply drop. Then the collector
voltage of Q781 becomes 0V from 137V. Therefore G1 voltage is changed to -137V by the change of C783
charge. It is the same with the suspend and the off modes. Then the raster is cut off.
3) Auto Adjust Blanking Circuit
The auto adjust blanking circuit operates one second when the user proceeds the auto adjust on OSM.
Then Q7K2 is activated by the change of the AS_BLK voltage. Then Q7K3 and Q7K1 are turned off.
Therefore G1 voltage is change to -80V and the raster is cut off.
D7K1
+12V
+220V
Q7K2
Q7K3
Q7K1
AUTO ADJUST BLANKING CIRCUIT
G1 BLANKING CIRCUIT
D7E1
+8.8V
AS_BLK
R784
D781
R7E4
D782
R7E2
R787
R7E6
C7K1
C781
R7E3
VH_BLK
-15V
R7E5
C7E1
Q7E1
+12V
R7E7
-80V
Q7E2
R7K5
R7K3
R7K4
R7K2
R7K1
Q7E3
C7E4
R785 R786
R782
R781
D783
D784
C783
R783
SPOT KILLER CIRCUIT
Q781
CRT G1
(Fig.4.1) Blanking Circuit

Table of Contents

Related product manuals