EasyManua.ls Logo

NEC MultiSync FP1350 - Usb Circuit

NEC MultiSync FP1350
240 pages
Print Icon
To Next Page IconTo Next Page
To Next Page IconTo Next Page
To Previous Page IconTo Previous Page
To Previous Page IconTo Previous Page
Loading...
8-56
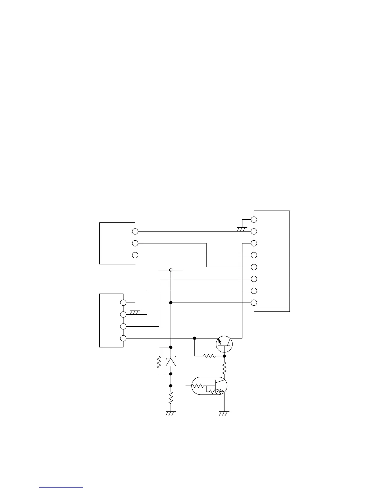
11. USB CIRCUIT
IC801 (MAIN MPU) uses as the I2 C-Bus master, and IC851 (USB MPU) uses as the I2 C-Bus slave.
At the time of power on of the monitor, IC801 forwards the present value and the necessary early period data
to IC851 through I
2
C-Bus (SCL, SDA).
In the case that CN-USB and PC (USB HOST) are connecting with USB cable, the 5V from PC is input to
IC851 pin27 through Q851, Q852.
Then according to IC851 forwards these data to PC through D+/D-, the monitor is recognized as the human
interface device.
And, in the case that CN-USB and PC are connected with USB cable in the condition of power off of the monitor,
the monitor is not recognized as a/the human interface device, because IC851 pin27 becomes low by Q851,
Q852.
In the case that the monitor is adjusted with USB ,the WINDOWS application called APPLET is used.
For example, when we do the adjustment of H.SIZE by using APPLET, the command that makes H. SIZE a
certain value is forwarded from PC to IC851 through D+/D-.
At this time, IC851 forwards 1 pulse to the INT line, because it needs to forward the command to IC801.
By this IC801 reads out the command from IC851 through I2 C-Bus, because it recognizes that the command
from PC is forwarded to IC851.
IC801 controls DAC by the command as OSM control.
34
33
27
60
61
25
INT
SCL
SDA
64
3

Q852
Q851
R857
R855ZD854
R85N
R85P
1
2
3
4
54
37
52
IC801
CN‑USB
D‑
D+
5V
IC851
5V
(Fig.11.1) USB Circuit

Table of Contents

Related product manuals