EasyManua.ls Logo

NEC MultiSync FP1350 - Over Current Protection

NEC MultiSync FP1350
240 pages
Print Icon
To Next Page IconTo Next Page
To Next Page IconTo Next Page
To Previous Page IconTo Previous Page
To Previous Page IconTo Previous Page
Loading...
8-47
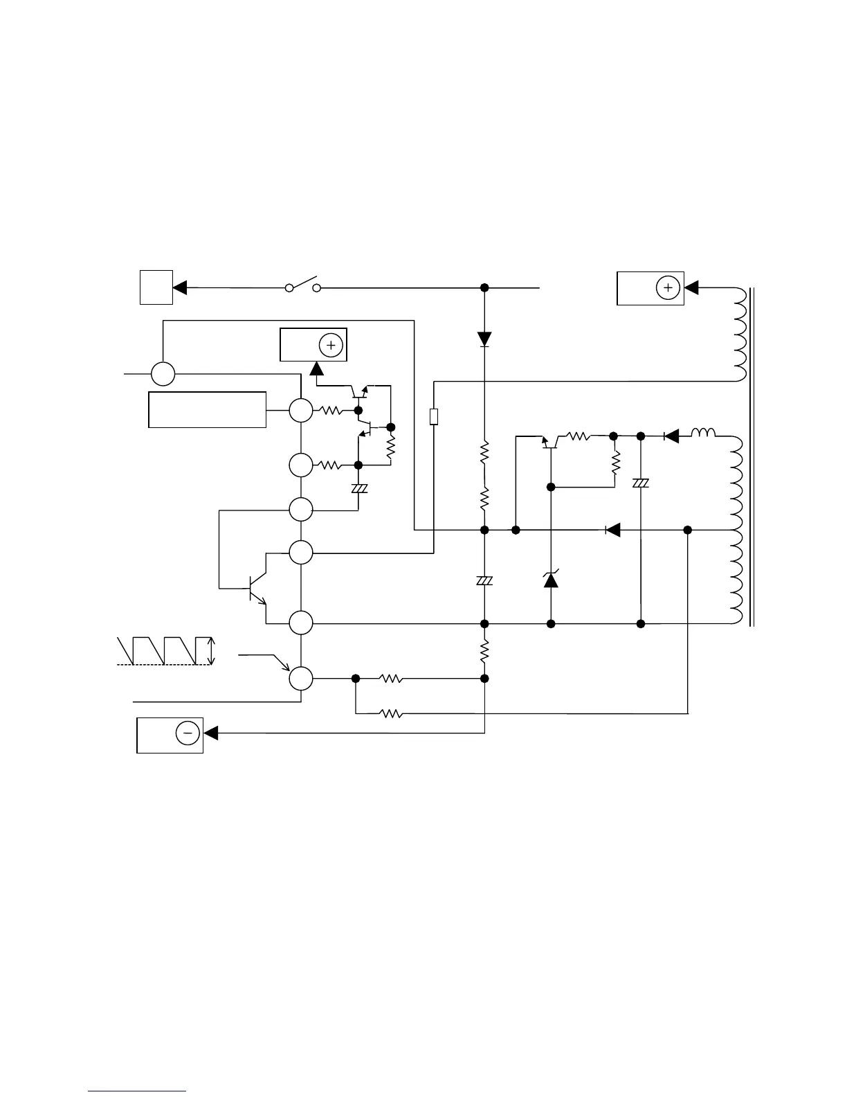
8-9. Over Current Protection
If some failure occurs and the total power of secondary outputs increase, the peak voltage of IC621 pin6
increases proportionally.
And when the peak voltage of IC621 pin 6 reaches -1V, IC621 decreases ON period duty cycle of TR1 (internal
IC621).
And also the voltage of secondary outputs and the voltage of auxiliary winding of T601 decrease.
When the auxiliary winding T601 decreases below 5V, IC621 operation stop.
But the charging current flows into the capacitor C623 through R634, R635 and IC621 operation start when the
voltage of IC621 pin 9 reaches 8V by this action.
So IC621 repeats the intermittent oscillation.
(Fig.8-9) Over Current Protection
T601
D601
L601
R635
D602
Q623
L621
R638
D624
D625
+
+
-
-
ZD622
C623
C624
OCP
R625
R624
R626
D601
TR1
GND
SW601
IC621
C621
DRIVE
B
C
CB
E
DRIVE CIRCUIT
1
2
3
5
6
9
-1V
R634
R636
AC
R641
R622
R623
+
-
Q624
Q625
C623
4

Table of Contents

Related product manuals