EasyManua.ls Logo

NEC MultiSync FP1350 - Page 160

NEC MultiSync FP1350
240 pages
Print Icon
To Next Page IconTo Next Page
To Next Page IconTo Next Page
To Previous Page IconTo Previous Page
To Previous Page IconTo Previous Page
Loading...
8-12
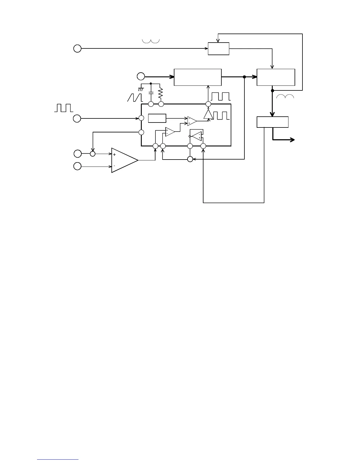
(Fig. 2.9) HORIZONTAL SIZE CONTROL CIRCUIT
a. Horizontal size modulation circuit
The transistor Q5A1modulates the Chopper output voltage that location is C5G3. This transistor is
biased by R5AC and R5AE and the modulation wave is added to the base through C5A6. The
modulation wave is made by Horizontal size correction circuit which is described section 2).
b. User H SIZE control
OSM control for users vary from 0 to 255. At this time, the voltage of IC532 pin 5 (HS control line) vary
from 5V to 0.9V.
The horizontal video size reduces as much as approximately 78% irrespective of the horizontal frequency
when the maximum size is taken to 100%.
c. H SIZE MAX control
The H SIZE MAX control is accessible in service mode only, and this control sets the maximum horizontal
size. The H SIZE for user control vary from the horizontal maximum size which is adjusted at this stage to
less than the H SIZE MAX. H SIZE MAX control vary from 0 to 255 on OSM menu, and the voltage of
IC532 pin 6 output voltage vary from approximately 0.9V to 5V. The horizontal maximum size control
voltage (HSM)is output to IC591 pin 10 and is compared to the HS voltage (IC591 pin 9) . The HSM
output voltage is converted to slice voltage at the comparator for PWM control which is input to error
amplifier IC592 pin 1.
Ref.
Voltage
H_Drive
Pulse
6
8
32 9
+
+
54131
IC591
IC592
(H)
+B
(V)
(V)
(H)
FB
AFC_Feedback
H.Def Out
220V
(H)
H.Out Trans
+B Modulator
Q5A1
PWM Chopper
Q5G1
Amplifier
IC5GA
H.SIZE MAX
H.SIZE
E/W from IC501
SAW GEN
PWM Amp
Bufferr Amp
Error Amp
C598
R59J

Table of Contents

Related product manuals