EasyManua.ls Logo

NEC MultiSync FP1350 - Page 163

NEC MultiSync FP1350
240 pages
Print Icon
To Next Page IconTo Next Page
To Next Page IconTo Next Page
To Previous Page IconTo Previous Page
To Previous Page IconTo Previous Page
Loading...
8-15
5V
5V
5V
0V
0V
0V
pin4 (Q421 Gate)
pin18 (Q422 Gate)
pin19 (Q422 Gate)
55
vertical frequency (Hz)
70 90 105 130 160
(Fig. 2.12) IC532 output voltage
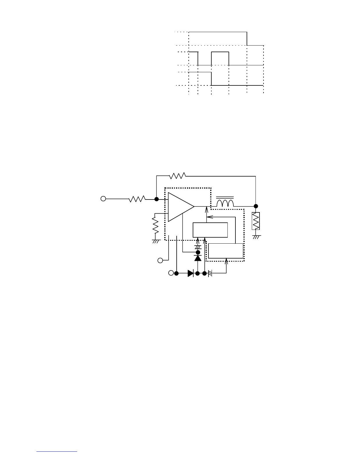
c. Vertical output amplifier circuit
The current proportional to the input voltage to IC401 is supplied to the vertical deflection coil (V-DY).
The vertical deflection current is taken as voltage wave form on R406 and fed back to IC401.
Pump Up 1
Pump Up 2
R406
R401
IC401
8
910
27 4
5
6
3
R404
R403
-15.6V
+14.5V
V SAW Input
V-DY
(Fig. 2.13) Vertical output amplifier circuit

Table of Contents

Related product manuals