EasyManua.ls Logo

Necta Canto Plus Espresso - Espresso Water Circuit Diagram

Necta Canto Plus Espresso
72 pages
Print Icon
To Next Page IconTo Next Page
To Next Page IconTo Next Page
To Previous Page IconTo Previous Page
To Previous Page IconTo Previous Page
Loading...
© by N&W GLOBAL VENDING S.p.A. 52 10 2009 3325 - 00
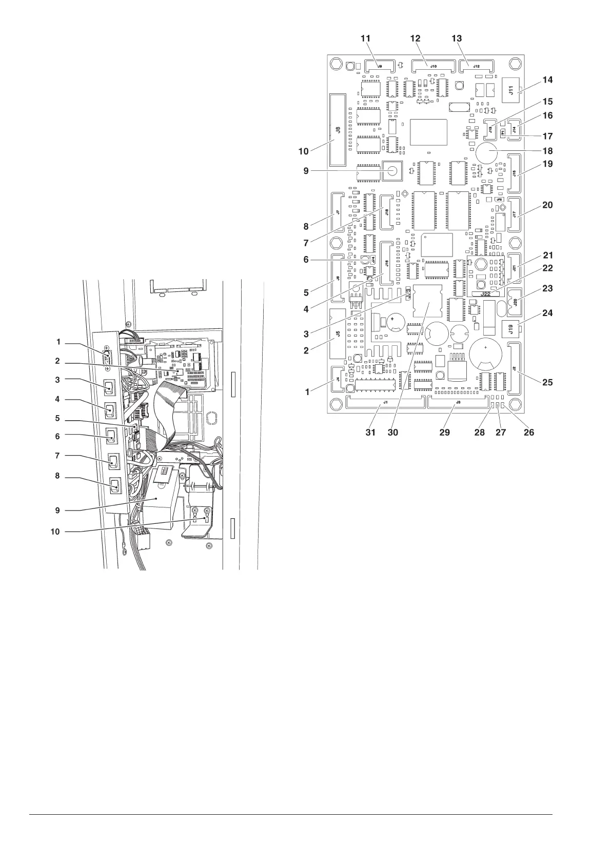
c.p.u. Board
The C.P.U. (Central Process Unit) board can manage
all the users arranged for the maximum conguration
as well as the signals coming from the keyboard and
the payment system. It can also manage the actuation
board.
- The LEDs can supply the following information during
the operation:
- The green LED (26) is flashing on and off during the
normal operation of the C.P.U. board;
- The yellow LED (28) will turn on when 5 Vdc is applied;
- The red LED (27) will turn on if the software is reset for
any reason whatsoever.
Fig 39
1- Door micro (optional)
2- Validators
3- Battery jumper (2-3)
4- To the button/LED board
5- Not used
6- JP4 WDI jumper (closed)
7- Up-key
8- Numeric selection keyboard (optional)
9- Programming button
10- Graphical display
11- not used
12- RS232 serial port
13- EXE/BDV payments
14- MDB payments
15- Can-Bus
16- Can-Bus
17- JP1 Can-Bus jumper (closed)
18- Buzzer
19- Not used
20- Not used
21- Not used
22- RAM data expansion (optional)
23- 34Vdc power supply
24- Door lighting connection
25- Lighted path and mechanical counter
26- Green led DL3 “RUN
27- Red led DL2 “RESET
28- Yellow led DL1 “+5V”
29- To the external programming and washing button
30- Battery
31- Not used
Fig. 38
1- RS232 serial port
2- Display board
3- Statistics” button
4- “Washing” button
5- C.P.U. board
6- “Cup catcher” button
7- “Programming” button
8- “Ingredient priming” button
9- Coin chute
10- Coin return lever

Related product manuals