EasyManua.ls Logo

Nelson N800iTM - Drawings and Parts Lists; Explosion Drawing Final Assembly N800 I

Nelson N800iTM
142 pages
Print Icon
To Next Page IconTo Next Page
To Next Page IconTo Next Page
To Previous Page IconTo Previous Page
To Previous Page IconTo Previous Page
Loading...
Stud welding unit N800i
As of 24.08.2021
Manual part number: BE 1227
Tucker GmbH, Mail / Post: Max-Eyth-Str.1, 35394 Gießen, Germany
100
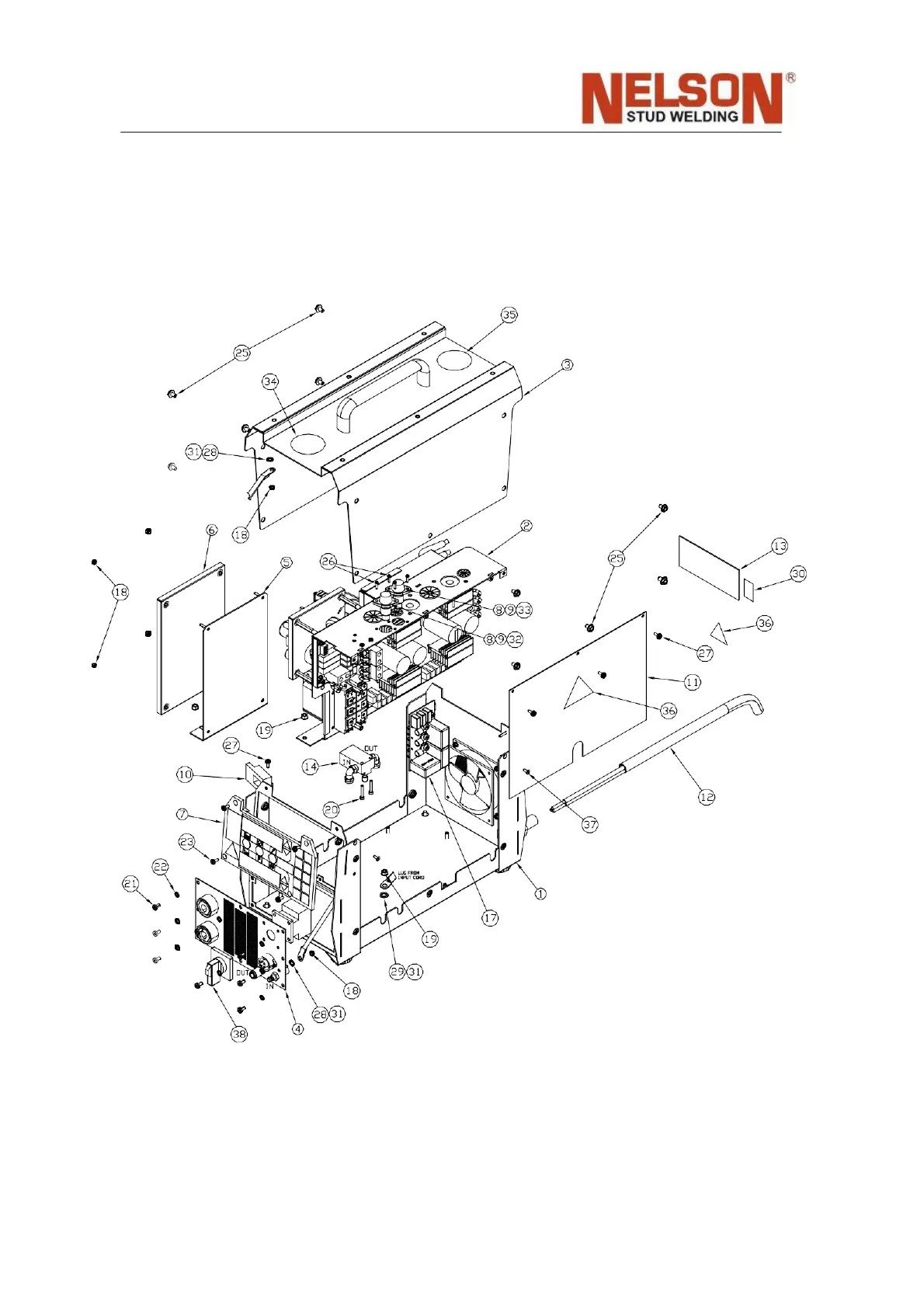
9. Drawings and parts lists
9.1 Explosion drawing Final Assembly N800i

Table of Contents

Related product manuals