EasyManua.ls Logo

Nexys A7 - Page 27

Nexys A7
30 pages
Print Icon
To Next Page IconTo Next Page
To Next Page IconTo Next Page
To Previous Page IconTo Previous Page
To Previous Page IconTo Previous Page
Loading...
12/25/2018 Nexys A7 Reference Manual [Reference.Digilentinc]
https://reference.digilentinc.com/reference/programmable-logic/nexys-a7/reference-manual 27/30
(https://reference.digilentinc.com/_detail/reference/programmable-logic/nexys-a7/n4ac.png?id=reference%3Aprogrammable-logic%3Anexys-
a7%3Areference-manual) Figure 14.2.1 PDM Timing Diagram
The typical value of the clock frequency is 2.4 MHz (). Assuming that the application requires 7-bit precision and 24 KHz, there can be two
counters that count 128 samples at 12 KHz, as shown in Figure 14.2.2.
(https://reference.digilentinc.com/_detail/reference/programmable-logic/nexys-a7/n4ad.png?id=reference%3Aprogrammable-logic%3Anexys-
a7%3Areference-manual) Figure 14.2.2 Sampling PDM with Two Counters
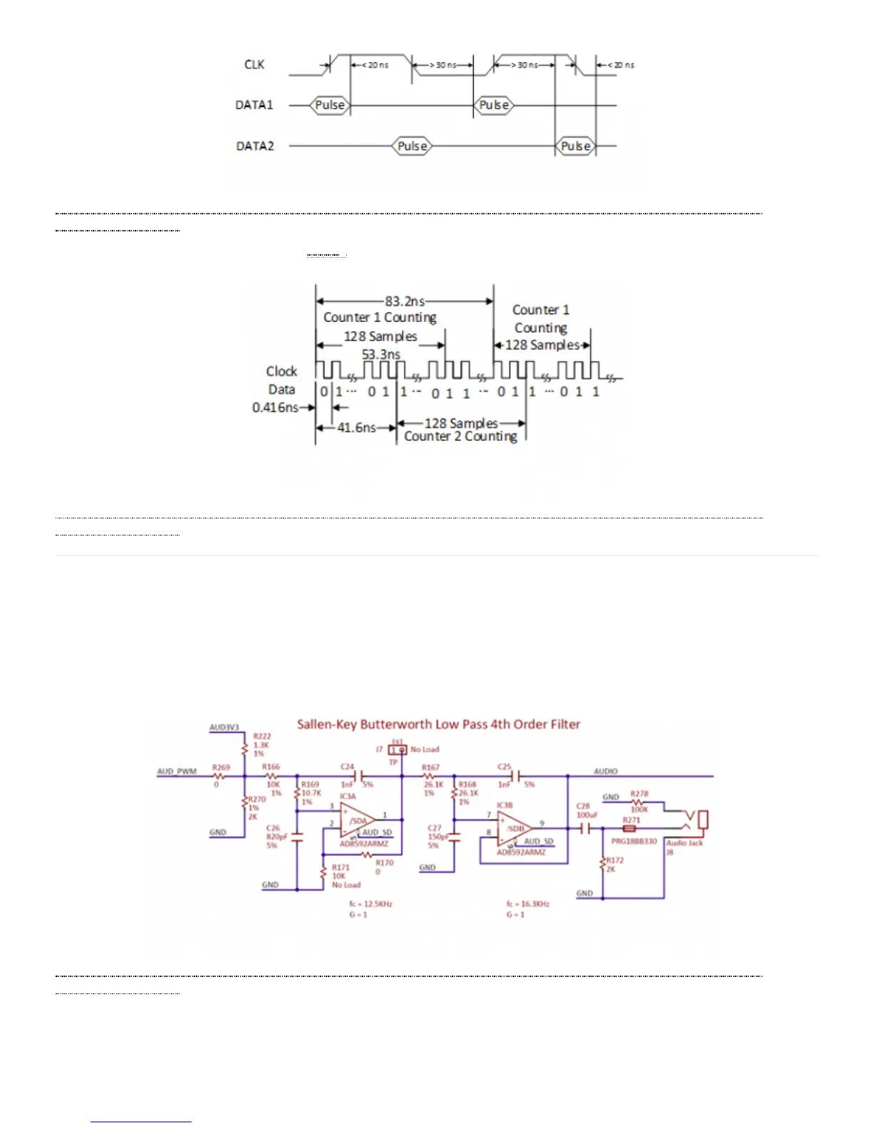
The on-board audio jack (J8) is driven by a Sallen-Key Butterworth Low-pass 4th Order Filter that provides mono audio output. The circuit
of the low-pass filter is shown in Figure 15.1. The input of the filter (AUD_PWM) is connected to the FPGA pin A11. A digital input will
typically be a pulse-width modulated (PWM) or pulse density modulated (PDM) open-drain signal produced by the FPGA. The signal needs
to be driven low for logic ‘0’ and left in high-impedance for logic ‘1’. An on-board pull-up resistor to a clean analog 3.3V rail will establish
the proper voltage for logic ‘1’. The low-pass filter on the input will act as a reconstruction filter to convert the pulse-width modulated
digital signal into an analog voltage on the audio jack output.
(https://reference.digilentinc.com/_detail/reference/programmable-logic/nexys-a7/n4ae.png?id=reference%3Aprogrammable-logic%3Anexys-
a7%3Areference-manual) Figure 15.1 Sallen-Key Butterworth Low-Pass 4th Order Filter
The frequency response of SK Butterworth Low-Pass Filter is shown in Figure 15.2. The AC analysis of the circuit is done using NI
Multisim 12.0.
15 Mono Audio Output