EasyManua.ls Logo

NF WF1945B - Operating Principles; Block Diagram

Default Icon
188 pages
Print Icon
To Next Page IconTo Next Page
To Next Page IconTo Next Page
To Previous Page IconTo Previous Page
To Previous Page IconTo Previous Page
Loading...
WF1945B 1-3
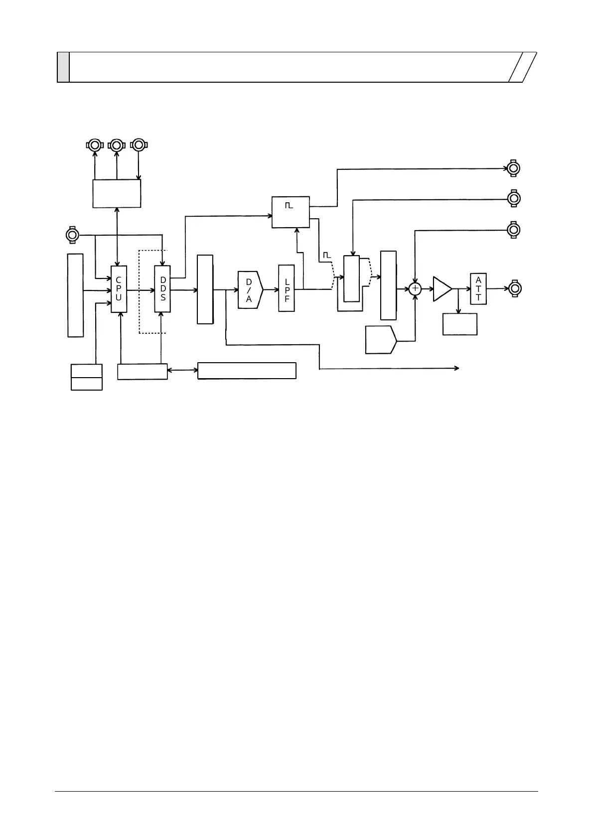
1.2 Operating principles
Block diagram
USB
Display and panel key
Amplitude control
occurrence
Others
TRIG/
SWEEP
IN
GPIB
D/
LP
DDS
CPU
ATT
Clock
Offset
D/A
SYNC OUT
16bit
16bit
FUNCTION
OUT
Over level
Detector
15bit
AM IN
ADD IN
Isolation
Waveform memory
Sweep
input/output
Digital output
Sync transfer input/output
Multiplier
z The CPU conducts analog control for display, panel keys, remote control (GPIB, USB), DDS,
amplitude and DC offset. Sweep input/output is also controlled for sweep internal/external
modulation.
z The clock generator produces DDS reference and CPU clock signals.
z An isolation circuit between the CPU and DDS provides floating functions.
z The DDS (Direct Digital Synthesizer) uses an original LSI device and generates digital data of
the setting frequency.
z The waveform memory converts digital data from the DDS into standard or arbitrary waveform
data. Waveform data are set from the CPU.
z The digital to analog (D/A) converter produces an analog signal from the resulting waveform
data.
z The lowpass filter (LPF) smoothes the stepped D/A output signal.
z Amplitude control is set by the gain control. DC offset is produced by the offset D/A converter
and the output amplifier adds and amplifies the output signal.
z The attenuator (ATT) selects the output range by 1/10 attenuation on/off.

Table of Contents

Related product manuals