EasyManua.ls Logo

Nikon SB-28 - System Chart for TTL Multiple Flash

Nikon SB-28
97 pages
Print Icon
To Next Page IconTo Next Page
To Next Page IconTo Next Page
To Previous Page IconTo Previous Page
To Previous Page IconTo Previous Page
Loading...
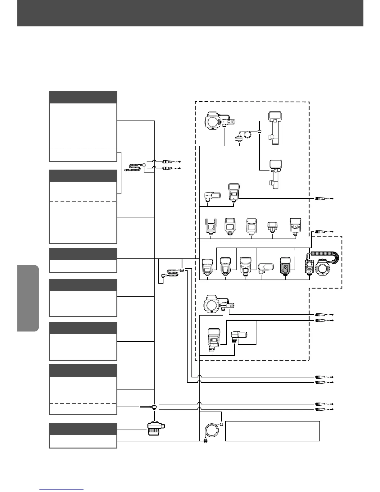
System chart for TTL multiple flash
(For cameras in Groups I through VI, plus F3-Series cameras)
• SB-11, SB-14, SB-140, and SB-21B Speedlights cannot be used with the
F-401/N4004 or F-401s/N4004s as either main or secondary units.
Multiple flash operation in
t
and
ƒ
flash modes
68
Group I
Group V
F-501/N2020, F-401s/
N4004
s, F-401/N4004
F-301/N2000
Group III
F-601/N6006 , F-601M/N6000
Group II
F4-Series
(with DW-20/DW-21)
F4-Series (DA-20/DP-20)
F65-Series/N65-Series
F-801s/N8008s
F-801/N8008
Pronea 600i/6i
Group VII
F3-Series
Group IV
F60-Series/N60
F50-Series/N50
F-401
X/N5005
Group VI
FM3A, FA
FE2
FG
Nikonos V
SC-24
SB-21B
SB-21A
SB-16A SB-17
SC-14
V-type Syns
Cord
Items marked A on page 68 are
connected to item A on page 69.
SB-11
SC-23
SB-14
SB-140
SB-16BSB-15
SB-22 SB-22sSB-20
SB-25 SB-26
SB-27
SB-24
Main flash unit
SC-17
SB-23 SB-50DX
A
A
A
A
A
A
A
A
A
A
F5 (with DA-30/DP-30)
F100
F90X/N90s
F90-Series/N90
F80-Series/N80-Series
F70-Series/N70
F5 (with DW-30/DW-31)
SB-28/28DX
AS-17
SB-29

Table of Contents

Related product manuals