EasyManua.ls Logo

Nobles Marksman 412 - Recovery Tank Group; Grupo del Tanque de Recuperacion

Nobles Marksman 412
41 pages
Print Icon
To Next Page IconTo Next Page
To Next Page IconTo Next Page
To Previous Page IconTo Previous Page
To Previous Page IconTo Previous Page
Loading...
PARTS LIST
LISTA DE PIEZAS
Marksmant 412 (0100)
30
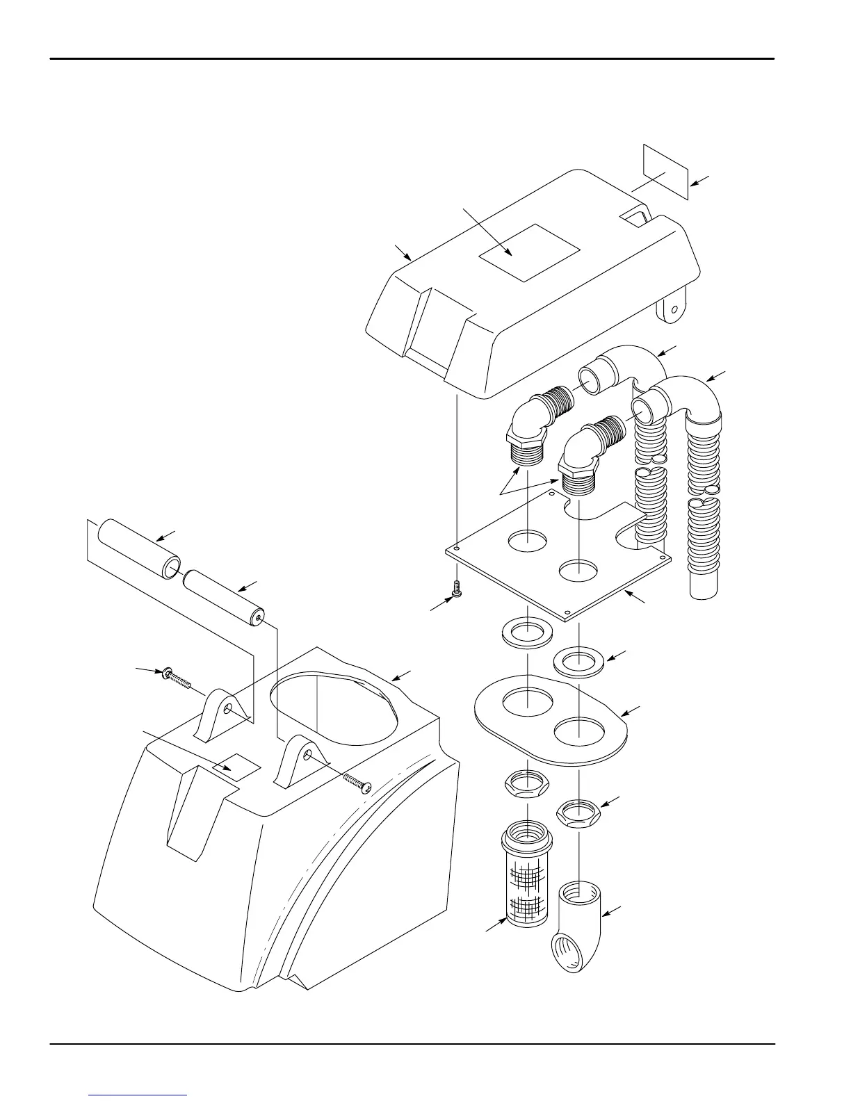
RECOVERY TANK GROUP
GRUPO DEL TANQUE DE RECUPERACION
1
2
3
5
4
6
7
8
9
10
11
12
13
14
16
17
18
15

Table of Contents

Related product manuals