EasyManua.ls Logo

Oliver 10044 - Page 42

Oliver 10044
52 pages
Print Icon
To Next Page IconTo Next Page
To Next Page IconTo Next Page
To Previous Page IconTo Previous Page
To Previous Page IconTo Previous Page
Loading...
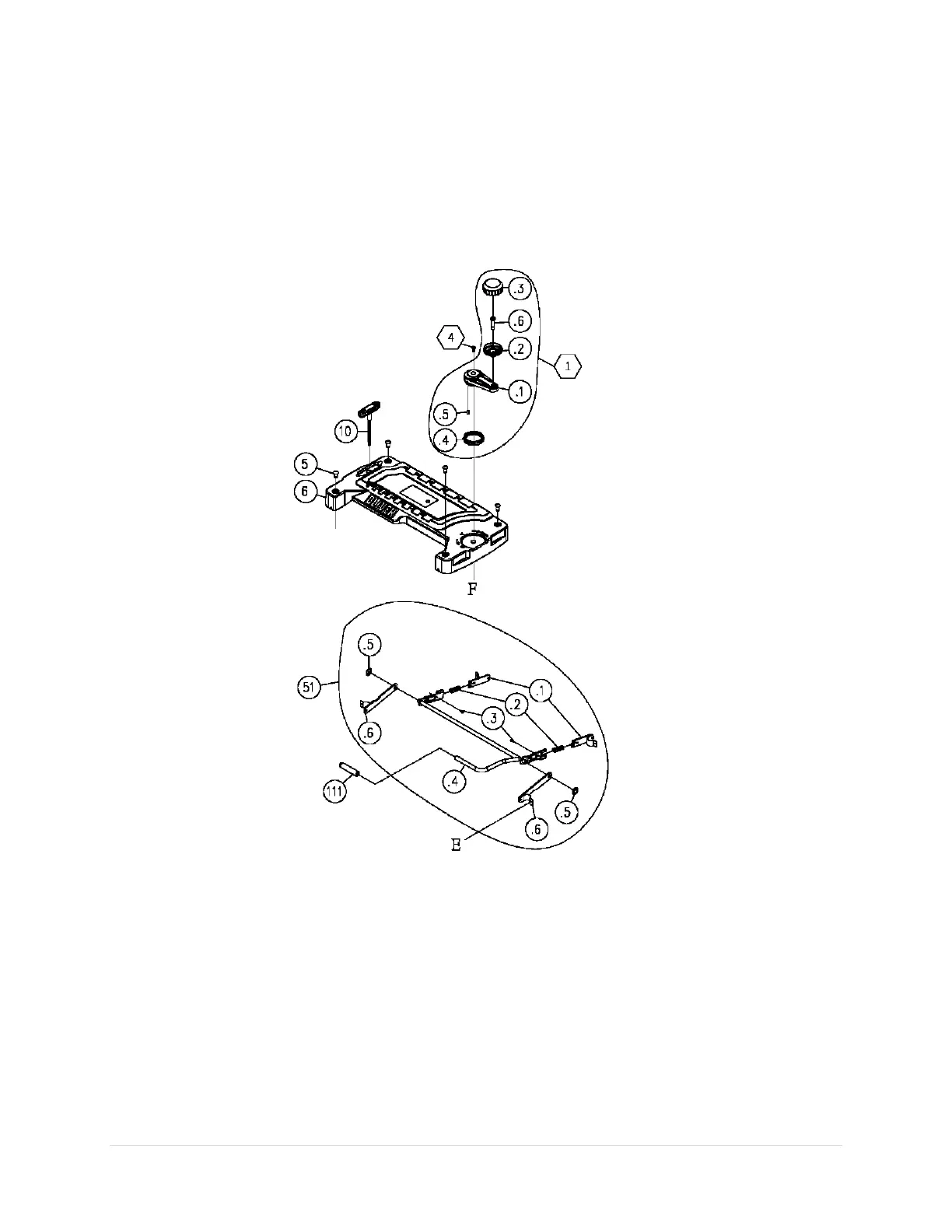
42 | Page Oliver Machinery 10044 Planer

Table of Contents

Related product manuals