EasyManua.ls Logo

Omron Q2A-A4031-AAA - Install a Braking Unit Connection: CDBR-Type; Connect Braking Units in Parallel

Omron Q2A-A4031-AAA
844 pages
To Next Page IconTo Next Page
To Next Page IconTo Next Page
To Previous Page IconTo Previous Page
To Previous Page IconTo Previous Page
Loading...
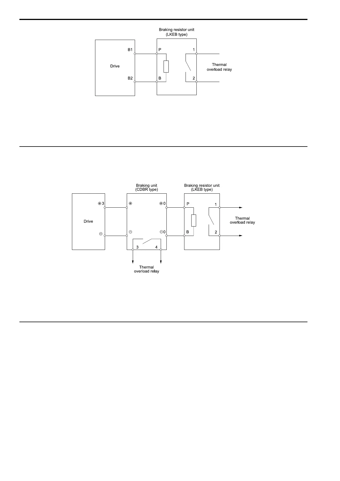
3.9 Braking Resistor Installation
100 SIEPYEUOQ2A01A AC Drive Q2A Technical Manual
Figure 3.52 Install a Braking Resistor Unit: LKEB-Type
To install a braking resistor unit, set L8-01 = 0 [3%ERF DBR Protection = Disabled].
Models 4002 to 4168 have a built-in braking transistor.
To prevent overheating the braking resistor unit, set a sequence to de-energize the drive at the trip contacts of the
thermal overload relay.
Install a Braking Unit Connection: CDBR-Type
To install a CDBR type braking unit, connect terminal +3 on the drive to terminal + on the braking unit. Then
connect terminal - on the drive to terminal - on the braking unit. Terminal +2 on the drive is not necessary for
CDBR-type braking unit connections.
Figure 3.53 Install a Braking Unit: CDBR-Type/Braking Resistor Unit: LKEB-Type
Set L8-55 = 0 [DB IGBT Protection = Disable].
Note:
To install a CDBR-type braking unit to the drive models 4002 to 4168 that have a built-in braking transistor, connect drive terminal B1
to terminal + on the braking unit.
Connect Braking Units in Parallel
To connect two or more braking units in parallel, wire and select connections as shown.

Table of Contents

Other manuals for Omron Q2A-A4031-AAA

Related product manuals