EasyManua.ls Logo

Omron Q2A-A4031-AAA - Using the Safe Disable Function

Omron Q2A-A4031-AAA
844 pages
To Next Page IconTo Next Page
To Next Page IconTo Next Page
To Previous Page IconTo Previous Page
To Previous Page IconTo Previous Page
Loading...
5.6 Safe Disable Input
210 SIEPYEUOQ2A01A AC Drive Q2A Technical Manual
DANGER! Sudden Movement Hazard. Connect the Safe Disable inputs to the devices as specified by the safety requirements.
Failure to obey will cause death or serious injury.
WARNING! Sudden Movement Hazard. With PM motors, the failure of two output transistors can cause current to flow through
the motor winding and move the motor output axis 180 electrical degrees. This is possible when the Safe Disable function turns
off the drive output. Make sure that output transistors failure will not effect the safety of the application when with the Safe
Disable function. Failure to obey could cause death or serious injury.
WARNING! Electrical Shock Hazard. The Safe Disable function will turn off the drive output, but it will not stop the drive power
supply and it cannot electrically isolate the drive output from the input. Always turn off the drive power supply during
maintenance and installations on the drive input and output sides. Failure to obey could cause death or serious injury.
WARNING! Sudden Movement Hazard. An external gravitational force in the vertical axis will move the motor although the Safe
Disable function is in operation. Failure to obey could cause serious injury or death.
WARNING! Sudden Movement Hazard. Remove the pre-installed wire links between terminals H1-HC and H2-HC to use the
Safe Disable inputs. Failure to obey will prevent correct operation of the Safe Disable circuit and could cause death or serious
injury.
WARNING! Sudden Movement Hazard. Regularly examine the Safe Disable input and all other safety features. A system that
does not operate correctly can cause death or serious injury.
WARNING! Sudden Movement Hazard. Only let approved technicians with full knowledge of the drive, the instruction manual,
and safety standards wire, examine, and maintain the Safe Disable input. Failure to obey could cause death or serious injury.
NOTICE: A maximum of 3 ms will elapse from when terminals H1 or H2 shut off until the drive switches to the "Safe Torque Off"
status. Set the OFF status for terminals H1 and H2 to hold for at least 2 ms. The drive may not be able to switch to the “Safe
Torque Off” status if terminals H1 and H2 are only open for less than 2 ms.
NOTICE: Only use the Safe Disable Monitor (multi-function output terminal set to the EDM function) to monitor the Safe Disable
status or to find a malfunction in the Safe Disable inputs. The monitor output is not a safety output.
NOTICE: Drives that have a built-in safety function must be replaced 10 years after first use.
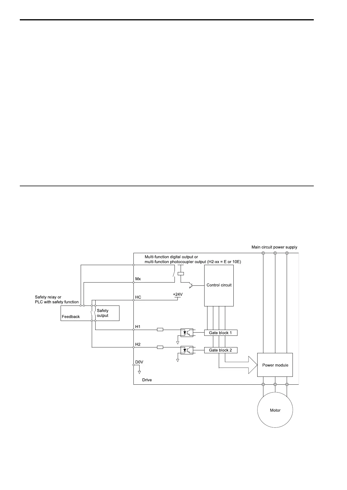
Using the Safe Disable Function
Safe Disable Circuit
The Safe Disable circuit has two isolated channels (terminals H1 and H2) that stop the output transistors. The
input can use the internal power supply of the drive.
Set the EDM function to one of the MFDO terminals [H2-xx = E or 10E] to monitor the status of the Safe Disable
function. This is the Safe Disable monitor output function.
Figure 5.27 Safe Disable Function Wiring Example

Table of Contents

Other manuals for Omron Q2A-A4031-AAA

Related product manuals