EasyManua.ls Logo

Omron Q2A-A4031-AAA - Set Sinking Mode;Sourcing Mode; Set Input Signals for MFAI Terminals AI1 to AI3

Omron Q2A-A4031-AAA
844 pages
To Next Page IconTo Next Page
To Next Page IconTo Next Page
To Previous Page IconTo Previous Page
To Previous Page IconTo Previous Page
Loading...
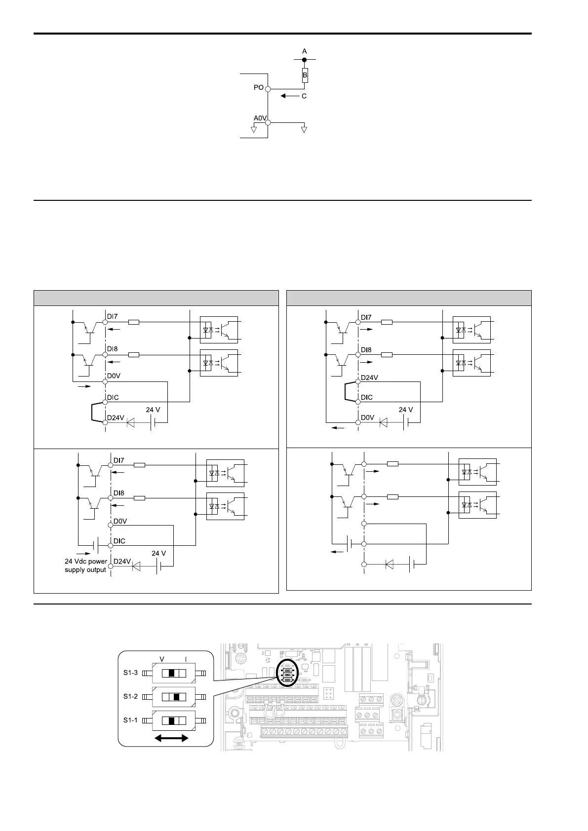
3.6 Control I/O Connections
94 SIEPYEUOQ2A01A AC Drive Q2A Technical Manual
A - External power supply
B - Load impedance
C - Sinking current
Figure 3.44 Wiring to Use Pulse Train Output in Sinking Mode
Set Sinking Mode/Sourcing Mode
Close the circuit between terminals DIC-D24V and DIC-D0V to set the sinking mode/sourcing mode and the
internal/external power supply for the MFDI terminals. The default setting for the drive is internal power supply
sinking mode.
NOTICE: Do not close the circuit between terminals D24V and D0V. Failure to obey will cause damage to the drive.
Sinking Mode (NPN)
Internal Power Supply (Terminal D0V-D24V)
External Power 24 V
Sourcing Mode (PNP)
Internal Power Supply (Terminal D0V-D24V)
External Power 24 V
Set Input Signals for MFAI Terminals AI1 to AI3
Use terminals AI1 to AI3 to input a voltage or a current signal.
Figure 3.45 Location of DIP Switch S1
DIC
DI8
DI7
24 V
D0V
D24V
24 Vdc power
supply output

Table of Contents

Other manuals for Omron Q2A-A4031-AAA

Related product manuals