EasyManua.ls Logo

Omron Q2A-A4031-AAA - Page 77

Omron Q2A-A4031-AAA
844 pages
To Next Page IconTo Next Page
To Next Page IconTo Next Page
To Previous Page IconTo Previous Page
To Previous Page IconTo Previous Page
Loading...
Electrical Installation
3
3.3 Main Circuit Wiring
SIEPYEUOQ2A01A AC Drive Q2A Technical Manual 77
Protection of Main Circuit Terminals
When wiring the main circuit terminals, do not let cable ends go near terminals or the drive. If you use crimped
terminals, make sure that you also use insulation caps.
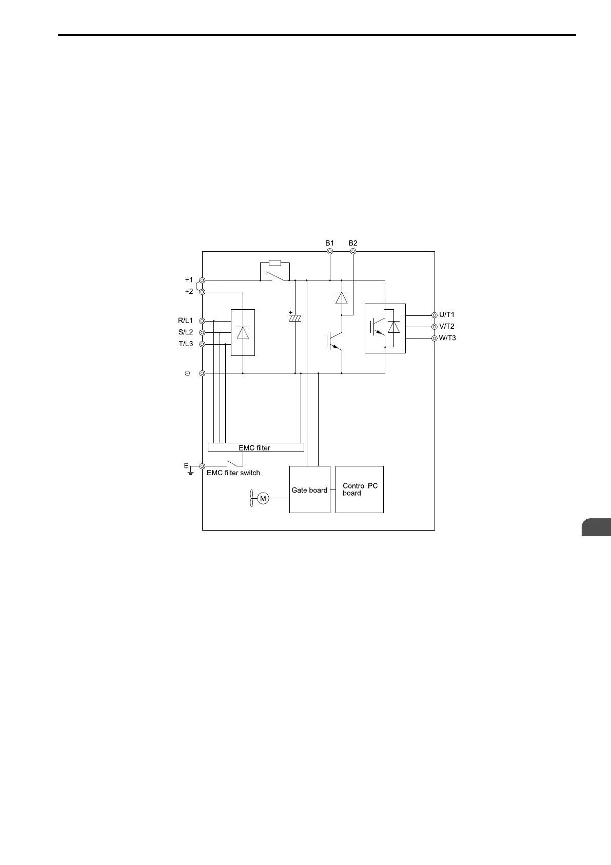
Main Circuit Configuration
The figures in this section show the different schematics of the drive main circuit The connections change when
the drive capacity changes. The DC power supply for the main circuit also supplies power to the control circuit.
Note:
Drive models 4002A to 4675A do not have a built-in EMC filter.
WARNING! Fire Hazard. The braking resistor connection terminals are B1 and B2. Do not connect braking resistors to other
terminals. Incorrect wiring connections could cause the braking resistor to overheat. Failure to obey can cause death or serious
injury by fire and damage to the drive and braking circuit.
NOTICE: Do not use the negative DC bus terminal “-” as a ground terminal. This terminal is at high DC voltage potential.
Incorrect wiring connections could cause damage to the drive.
Figure 3.15 Drive Main Circuit Configuration for Drive Models 4002 to 4044

Table of Contents

Other manuals for Omron Q2A-A4031-AAA

Related product manuals